Catálogo CepChev
  1. Início
  2. Agile 2010/2014
  3. Suspensão dianteira e direção

Selecione uma seção do grupo 'Suspensão dianteira e direção' e encontre rapidamente códigos, descrições e referências para manutenção ou restauração para Agile 2010/2014.

Coluna de direção e peças relacionadas para fixação e suporte

Imagem de Coluna de direção e peças relacionadas para fixação e suporte

Coluna e volante de direção (2010) com kit cilindro, buzina e trava ignição

Imagem de Coluna e volante de direção (2010) com kit cilindro, buzina e trava ignição

Coluna e volante de direção (2011–2013) CG, CH, CI48 com buzina e trava ignição

Imagem de Coluna e volante de direção (2011–2013) CG, CH, CI48 com buzina e trava ignição

Conjunto bomba direção hidráulica (2011–2014) CG, CH, CI48

Imagem de Conjunto bomba direção hidráulica (2011–2014) CG, CH, CI48

Conjunto bomba direção hidráulica (N40) (2010) CG, CH, CJ48

Imagem de Conjunto bomba direção hidráulica (N40) (2010) CG, CH, CJ48

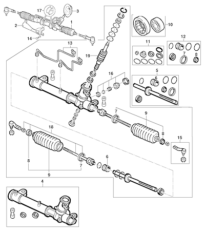
Conjunto de caixa de direção com cremalheira, rolamentos e acessórios (N51)

Imagem de Conjunto de caixa de direção com cremalheira, rolamentos e acessórios (N51)

Eixo de acionamento e componentes para roda dianteira (2011–2013)

Imagem de Eixo de acionamento e componentes para roda dianteira (2011–2013)

Eixo de acionamento e juntas homocinéticas da roda dianteira

Imagem de Eixo de acionamento e juntas homocinéticas da roda dianteira

Eixo de acionamento e juntas homocinéticas para roda dianteira (JM4)

Imagem de Eixo de acionamento e juntas homocinéticas para roda dianteira (JM4)

Sistema de direção hidráulica (2011–2014) CG, CH, CI48

Imagem de Sistema de direção hidráulica (2011–2014) CG, CH, CI48

Sistema de direção hidráulica (N40) (2010) com caixa e componentes completos

Imagem de Sistema de direção hidráulica (N40) (2010) com caixa e componentes completos

Suspensão dianteira (2010) com braços, molas, amortecedores e rolamentos

Imagem de Suspensão dianteira (2010) com braços, molas, amortecedores e rolamentos

Suspensão dianteira (2011–2014) com braços, molas, amortecedores e rolamentos

Imagem de Suspensão dianteira (2011–2014) com braços, molas, amortecedores e rolamentos

Tubulações e reservatório da bomba de direção hidráulica (2011–2014)

Imagem de Tubulações e reservatório da bomba de direção hidráulica (2011–2014)

Tubulações hidráulicas e reservatório da bomba direção hidráulica (2010)

Imagem de Tubulações hidráulicas e reservatório da bomba direção hidráulica (2010)

Volante direção com alavancas, tampas e interruptores (KB7)

Imagem de Volante direção com alavancas, tampas e interruptores (KB7)

Volante e componentes da direção com trava, buzina e acabamento interno

Imagem de Volante e componentes da direção com trava, buzina e acabamento interno
Você também pode se interessar...
Mercado Livre Porca Le Gm 11516076
Porca Le Gm 11516076

R$ 12.42

Mercado Livre Parafuso Gm 11085654
Parafuso Gm 11085654

R$ 51.05

Mercado Livre Bracadeira Mangueira Radiador - Montana De 2004 A 2017
Bracadeira Mangueira Radiador - Montana De 2004 A 2017

R$ 34.57

Mercado Livre Parafuso Chevrolet Cobalt Lt 12/20
Parafuso Chevrolet Cobalt Lt 12/20

R$ 20.63

Mercado Livre Parafuso Para-lama Gm 93296480
Parafuso Para-lama Gm 93296480

R$ 10.80

Mercado Livre Par Bucha Bandeja Dianteira Corsa Celta Prisma Agile Montana 90445097 / 94737496
Par Bucha Bandeja Dianteira Corsa Celta Prisma Agile Montana 90445097 / 94737496

R$ 21.36

Mercado Livre Bucha + Tubo Barra Estabilizadora Diante Corsa Celta Prisma 93290890 / 93277197
Bucha + Tubo Barra Estabilizadora Diante Corsa Celta Prisma 93290890 / 93277197

R$ 28.90

Mercado Livre Borracha Fixação Caixa Direção Corsa Celta 26031916 26039329
Borracha Fixação Caixa Direção Corsa Celta 26031916 26039329

R$ 40.90

Mercado Livre Bucha Fixação Caixa Direção Celta-corsa 26039329
Bucha Fixação Caixa Direção Celta-corsa 26039329

R$ 70.00

Mercado Livre Reservatório Direção Hidráulica Gm Vectra 90473140
Reservatório Direção Hidráulica Gm Vectra 90473140

R$ 120.00

Mercado Livre Reservatório Direção Hidráulica Prisma Corsa Celta Montana 473140 / 90473140
Reservatório Direção Hidráulica Prisma Corsa Celta Montana 473140 / 90473140

R$ 134.95

Mercado Livre Pivô Suspensão Agile 2010 2011 2012 2013 2014 Gm 94724298
Pivô Suspensão Agile 2010 2011 2012 2013 2014 Gm 94724298

R$ 156.65

Mercado Livre Parafuso Do Painel Console Montana Meriva Agile Corsa
Parafuso Do Painel Console Montana Meriva Agile Corsa

R$ 14.06

Mercado Livre Porca Vectra Gm / Chevrolet 90375780
Porca Vectra Gm / Chevrolet 90375780

R$ 107.58

Mercado Livre Caixa De Direção Mecânica Agile 2010 Até 2016
Caixa De Direção Mecânica Agile 2010 Até 2016

R$ 569.75

Mercado Livre Parafuso Do Para-choque Gm 94754819
Parafuso Do Para-choque Gm 94754819

R$ 2.78

Mercado Livre Porca Ld Gm 93218743
Porca Ld Gm 93218743

R$ 3.29

Mercado Livre Parafuso Gm 93290618
Parafuso Gm 93290618

R$ 4.92

Mercado Livre Porca Da Suspensão Gm 93251996
Porca Da Suspensão Gm 93251996

R$ 6.15

Mercado Livre Porca Gm 11092774
Porca Gm 11092774

R$ 7.07

Mercado Livre Parafuso Gm 93374389
Parafuso Gm 93374389

R$ 7.50

Mercado Livre Bucha Barra Estabilizadora Diant Gm 93290890
Bucha Barra Estabilizadora Diant Gm 93290890

R$ 11.53

Mercado Livre Porca Do Amortecedor Dianteiro - Astra De 1999 A 2011 93299190
Porca Do Amortecedor Dianteiro - Astra De 1999 A 2011 93299190

R$ 12.57

Mercado Livre Porca Fixação Estribo Lateral Silverado 11516076 Un
Porca Fixação Estribo Lateral Silverado 11516076 Un

R$ 17.00

Mercado Livre Bucha Barra Estabilizadora Dianteira Corsa 1995/2003 Nakata NB13003 93250269 / 411040 7890903059228
Bucha Barra Estabilizadora Dianteira Corsa 1995/2003 Nakata NB13003 93250269 / 411040 7890903059228

R$ 17.08

Mercado Livre Porca Aco Chevrolet Omega Nova Original 93251996
Porca Aco Chevrolet Omega Nova Original 93251996

R$ 17.17

Shopee "Bucha Bandeja Dianteira Corsa Celta Prisma Agile Montana original nakata  90445097  NB13031  ø Int 10 - ø Ext 38 -  Compr.52 (mm)"
"Bucha Bandeja Dianteira Corsa Celta Prisma Agile Montana original nakata 90445097 NB13031 ø Int 10 - ø Ext 38 - Compr.52 (mm)"

R$ 17.95

Mercado Livre Bucha Braço Suspensao Dianteira Ld Gm Agile Celta 94737496
Bucha Braço Suspensao Dianteira Ld Gm Agile Celta 94737496

R$ 19.16

Mercado Livre Parafuso Morcego Da Suspensão Gm 52059712
Parafuso Morcego Da Suspensão Gm 52059712

R$ 19.37

Mercado Livre Selo Bujao Cambio Astra Corsa Cobalt Onix Spin 90470781 Orig
Selo Bujao Cambio Astra Corsa Cobalt Onix Spin 90470781 Orig

R$ 19.89

Shopee Bucha Barra Estabilizadora GM 93290890
Bucha Barra Estabilizadora GM 93290890

R$ 20.00

eBay Parafuso multiuso genuíno GM M10x1.5x35 11515767
Parafuso multiuso genuíno GM M10x1.5x35 11515767

R$ 5.24

eBay Parafuso de partida genuíno GM 11048336
Parafuso de partida genuíno GM 11048336

R$ 5.24

eBay Parafuso OE 11515767 -GM
Parafuso OE 11515767 -GM

R$ 5.30

eBay PARAFUSO VAUXHALL - GENUÍNO NOVO - 11048336
PARAFUSO VAUXHALL - GENUÍNO NOVO - 11048336

R$ 7.23

eBay PARAFUSO VAUXHALL - GENUÍNO NOVO - 11072641
PARAFUSO VAUXHALL - GENUÍNO NOVO - 11072641

R$ 7.26

eBay Porca multiuso ACDelco genuína 11094432
Porca multiuso ACDelco genuína 11094432

R$ 8.62

eBay Porca multiuso genuína GM 11094432
Porca multiuso genuína GM 11094432

R$ 9.86

eBay Nut Frt Lwr Cont Arm Rod 11094432 for GM Holden
Nut Frt Lwr Cont Arm Rod 11094432 for GM Holden

R$ 14.64

eBay Genuine GM License Bracket Nut 03907444
Genuine GM License Bracket Nut 03907444

R$ 14.85

eBay Parafuso de suporte trans genuíno GM OEM 11515767
Parafuso de suporte trans genuíno GM OEM 11515767

R$ 15.52

eBay Bolt/Screw-A/C Cmpr & Cndsr Hose Clip 94012127 for GM Holden
Bolt/Screw-A/C Cmpr & Cndsr Hose Clip 94012127 for GM Holden

R$ 16.87

eBay OE GM 11514766 Engine Oil Cooler Pipe Clamp Bolt
OE GM 11514766 Engine Oil Cooler Pipe Clamp Bolt

R$ 18.54

eBay Porca multiuso genuína GM 11609746
Porca multiuso genuína GM 11609746

R$ 19.78

Você também pode se interessar...
Mercado Livre Porca Le Gm 11516076
Porca Le Gm 11516076

R$ 12.42

Mercado Livre Parafuso Gm 11085654
Parafuso Gm 11085654

R$ 51.05

Mercado Livre Bracadeira Mangueira Radiador - Montana De 2004 A 2017
Bracadeira Mangueira Radiador - Montana De 2004 A 2017

R$ 34.57

Mercado Livre Parafuso Chevrolet Cobalt Lt 12/20
Parafuso Chevrolet Cobalt Lt 12/20

R$ 20.63

Mercado Livre Parafuso Para-lama Gm 93296480
Parafuso Para-lama Gm 93296480

R$ 10.80

Mercado Livre Par Bucha Bandeja Dianteira Corsa Celta Prisma Agile Montana 90445097 / 94737496
Par Bucha Bandeja Dianteira Corsa Celta Prisma Agile Montana 90445097 / 94737496

R$ 21.36

Mercado Livre Bucha + Tubo Barra Estabilizadora Diante Corsa Celta Prisma 93290890 / 93277197
Bucha + Tubo Barra Estabilizadora Diante Corsa Celta Prisma 93290890 / 93277197

R$ 28.90

Mercado Livre Borracha Fixação Caixa Direção Corsa Celta 26031916 26039329
Borracha Fixação Caixa Direção Corsa Celta 26031916 26039329

R$ 40.90

Mercado Livre Bucha Fixação Caixa Direção Celta-corsa 26039329
Bucha Fixação Caixa Direção Celta-corsa 26039329

R$ 70.00

Mercado Livre Reservatório Direção Hidráulica Gm Vectra 90473140
Reservatório Direção Hidráulica Gm Vectra 90473140

R$ 120.00

Mercado Livre Reservatório Direção Hidráulica Prisma Corsa Celta Montana 473140 / 90473140
Reservatório Direção Hidráulica Prisma Corsa Celta Montana 473140 / 90473140

R$ 134.95

Mercado Livre Pivô Suspensão Agile 2010 2011 2012 2013 2014 Gm 94724298
Pivô Suspensão Agile 2010 2011 2012 2013 2014 Gm 94724298

R$ 156.65

Mercado Livre Parafuso Do Painel Console Montana Meriva Agile Corsa
Parafuso Do Painel Console Montana Meriva Agile Corsa

R$ 14.06

Mercado Livre Porca Vectra Gm / Chevrolet 90375780
Porca Vectra Gm / Chevrolet 90375780

R$ 107.58

Mercado Livre Caixa De Direção Mecânica Agile 2010 Até 2016
Caixa De Direção Mecânica Agile 2010 Até 2016

R$ 569.75

Mercado Livre Parafuso Do Para-choque Gm 94754819
Parafuso Do Para-choque Gm 94754819

R$ 2.78

Mercado Livre Porca Ld Gm 93218743
Porca Ld Gm 93218743

R$ 3.29

Mercado Livre Parafuso Gm 93290618
Parafuso Gm 93290618

R$ 4.92

Mercado Livre Porca Da Suspensão Gm 93251996
Porca Da Suspensão Gm 93251996

R$ 6.15

Mercado Livre Porca Gm 11092774
Porca Gm 11092774

R$ 7.07

Mercado Livre Parafuso Gm 93374389
Parafuso Gm 93374389

R$ 7.50

Mercado Livre Bucha Barra Estabilizadora Diant Gm 93290890
Bucha Barra Estabilizadora Diant Gm 93290890

R$ 11.53

Mercado Livre Porca Do Amortecedor Dianteiro - Astra De 1999 A 2011 93299190
Porca Do Amortecedor Dianteiro - Astra De 1999 A 2011 93299190

R$ 12.57

Mercado Livre Porca Fixação Estribo Lateral Silverado 11516076 Un
Porca Fixação Estribo Lateral Silverado 11516076 Un

R$ 17.00

Mercado Livre Bucha Barra Estabilizadora Dianteira Corsa 1995/2003 Nakata NB13003 93250269 / 411040 7890903059228
Bucha Barra Estabilizadora Dianteira Corsa 1995/2003 Nakata NB13003 93250269 / 411040 7890903059228

R$ 17.08

Mercado Livre Porca Aco Chevrolet Omega Nova Original 93251996
Porca Aco Chevrolet Omega Nova Original 93251996

R$ 17.17

Shopee "Bucha Bandeja Dianteira Corsa Celta Prisma Agile Montana original nakata  90445097  NB13031  ø Int 10 - ø Ext 38 -  Compr.52 (mm)"
"Bucha Bandeja Dianteira Corsa Celta Prisma Agile Montana original nakata 90445097 NB13031 ø Int 10 - ø Ext 38 - Compr.52 (mm)"

R$ 17.95

Mercado Livre Bucha Braço Suspensao Dianteira Ld Gm Agile Celta 94737496
Bucha Braço Suspensao Dianteira Ld Gm Agile Celta 94737496

R$ 19.16

Mercado Livre Parafuso Morcego Da Suspensão Gm 52059712
Parafuso Morcego Da Suspensão Gm 52059712

R$ 19.37

Mercado Livre Selo Bujao Cambio Astra Corsa Cobalt Onix Spin 90470781 Orig
Selo Bujao Cambio Astra Corsa Cobalt Onix Spin 90470781 Orig

R$ 19.89

Shopee Bucha Barra Estabilizadora GM 93290890
Bucha Barra Estabilizadora GM 93290890

R$ 20.00

eBay Parafuso multiuso genuíno GM M10x1.5x35 11515767
Parafuso multiuso genuíno GM M10x1.5x35 11515767

R$ 5.24

eBay Parafuso de partida genuíno GM 11048336
Parafuso de partida genuíno GM 11048336

R$ 5.24

eBay Parafuso OE 11515767 -GM
Parafuso OE 11515767 -GM

R$ 5.30

eBay PARAFUSO VAUXHALL - GENUÍNO NOVO - 11048336
PARAFUSO VAUXHALL - GENUÍNO NOVO - 11048336

R$ 7.23

eBay PARAFUSO VAUXHALL - GENUÍNO NOVO - 11072641
PARAFUSO VAUXHALL - GENUÍNO NOVO - 11072641

R$ 7.26

eBay Porca multiuso ACDelco genuína 11094432
Porca multiuso ACDelco genuína 11094432

R$ 8.62

eBay Porca multiuso genuína GM 11094432
Porca multiuso genuína GM 11094432

R$ 9.86

eBay Nut Frt Lwr Cont Arm Rod 11094432 for GM Holden
Nut Frt Lwr Cont Arm Rod 11094432 for GM Holden

R$ 14.64

eBay Genuine GM License Bracket Nut 03907444
Genuine GM License Bracket Nut 03907444

R$ 14.85

eBay Parafuso de suporte trans genuíno GM OEM 11515767
Parafuso de suporte trans genuíno GM OEM 11515767

R$ 15.52

eBay Bolt/Screw-A/C Cmpr & Cndsr Hose Clip 94012127 for GM Holden
Bolt/Screw-A/C Cmpr & Cndsr Hose Clip 94012127 for GM Holden

R$ 16.87

eBay OE GM 11514766 Engine Oil Cooler Pipe Clamp Bolt
OE GM 11514766 Engine Oil Cooler Pipe Clamp Bolt

R$ 18.54

eBay Porca multiuso genuína GM 11609746
Porca multiuso genuína GM 11609746

R$ 19.78

Tem uma sugestão?

Clique e envie sua ideia

Termos de Uso e Aviso Legal

Este site é totalmente independente e não possui qualquer vínculo, associação ou patrocínio da Chevrolet, da General Motors ou de suas subsidiárias, marcas ou representantes. Todas as menções a nomes, marcas e códigos de peças são exclusivamente informativas.

As informações disponibilizadas têm caráter meramente informativo e podem conter erros, omissões ou imprecisões. Não garantimos a exatidão, completude ou atualidade dos dados.

Este site não vende peças nem realiza intermediação comercial. Os links e redirecionamentos exibidos servem apenas para consulta de preços em sites de terceiros (marketplaces, lojas ou fornecedores independentes).

Qualquer compra realizada a partir desses links é de inteira responsabilidade do usuário e do vendedor/fornecedor escolhido. Não nos responsabilizamos por negociações, pagamentos, prazos de entrega, qualidade, garantias, trocas, devoluções, reembolsos, divergências ou quaisquer prejuízos decorrentes de transações com terceiros.

O uso deste site é de responsabilidade exclusiva do usuário. Em nenhuma hipótese seremos responsáveis por danos diretos, indiretos, incidentais, consequenciais ou punitivos decorrentes do uso das informações aqui apresentadas ou de transações realizadas em sites externos.

Estamos Ouvindo Você!
Envie suas Sugestões, Reclamações ou Dúvidas