Catálogo CepChev
  1. Início
  2. Bolt EUV 2023
  3. Carroceria e identificação

Selecione uma seção do grupo 'Carroceria e identificação' e encontre rapidamente códigos, descrições e referências para manutenção ou restauração para Bolt EUV 2023.

Capuz, vedação, trava, cabo e dobradiça do capô

Imagem de Capuz, vedação, trava, cabo e dobradiça do capô

Compartimento e suporte para depósito de ferramentas, macaco e extintor

Imagem de Compartimento e suporte para depósito de ferramentas, macaco e extintor

Conjunto e montagem do aquecedor e sistema de arrefecimento do líquido

Imagem de Conjunto e montagem do aquecedor e sistema de arrefecimento do líquido

Etiquetas de identificação, controle e recomendações do veículo

Imagem de Etiquetas de identificação, controle e recomendações do veículo

Kit acessórios e segurança para proteção do ocupante e rodovia

Imagem de Kit acessórios e segurança para proteção do ocupante e rodovia

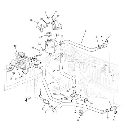
Mangueiras e canos do aquecedor

Imagem de Mangueiras e canos do aquecedor

Manutenção do veículo com freios, filtros, óleo, pneus e limpadores básicos

Imagem de Manutenção do veículo com freios, filtros, óleo, pneus e limpadores básicos

Para-lama dianteiro com molduras, isolamentos e fixadores diversos

Imagem de Para-lama dianteiro com molduras, isolamentos e fixadores diversos

Para-lama, estribo e forro da caixa de roda dianteira

Imagem de Para-lama, estribo e forro da caixa de roda dianteira

Recomendações para fluidos e lubrificantes do motor, transmissão e sistema hidráulico (1)

Imagem de Recomendações para fluidos e lubrificantes do motor, transmissão e sistema hidráulico (1)

Revestimento e forro da caixa de roda dianteira com defletores e fixadores

Imagem de Revestimento e forro da caixa de roda dianteira com defletores e fixadores

Tinta e tinta aerossol para retoques em diversas cores metálicas e sólidas

Imagem de Tinta e tinta aerossol para retoques em diversas cores metálicas e sólidas
Você também pode se interessar...
Mercado Livre Parafuso Gm 52079061
Parafuso Gm 52079061

R$ 1.93

Mercado Livre Braçadeira Gm 90469893
Braçadeira Gm 90469893

R$ 38.32

Mercado Livre Parafuso Gm 94012127
Parafuso Gm 94012127

R$ 9.63

Mercado Livre Parafuso Chevrolet Cobalt Lt 12/20
Parafuso Chevrolet Cobalt Lt 12/20

R$ 20.63

Mercado Livre Braçadeira 27mm Onix Spin Celta Corsa Cobalt 90572594 Orig
Braçadeira 27mm Onix Spin Celta Corsa Cobalt 90572594 Orig

R$ 39.89

Mercado Livre Braçadeira 44mm Mangueira Do Radiador Astra 95/96 90469895
Braçadeira 44mm Mangueira Do Radiador Astra 95/96 90469895

R$ 35.00

Mercado Livre Bracadeira Mangueira Do Radiador Astra Original Gm 1999 A 11
Bracadeira Mangueira Do Radiador Astra Original Gm 1999 A 11

R$ 26.24

Mercado Livre Parafuso Acessórios Chevrolet 11589012
Parafuso Acessórios Chevrolet 11589012

R$ 0.74

Mercado Livre Parafuso Gm 11519375
Parafuso Gm 11519375

R$ 3.02

Mercado Livre Assento Da Mola Gm 95936797
Assento Da Mola Gm 95936797

R$ 7.56

Mercado Livre Parafuso Para-lama Dianteiro Gm 11546456
Parafuso Para-lama Dianteiro Gm 11546456

R$ 11.31

Shopee Pára-Choque De Parada Do Capô GM Genuíno 22863104 Gancho
Pára-Choque De Parada Do Capô GM Genuíno 22863104 Gancho

R$ 12.80

Shopee Batente Capo Corsa Ref:90054143
Batente Capo Corsa Ref:90054143

R$ 13.21

Shopee Pára-Choque De Parada Do Capô GM Genuíno 22863104 JINC
Pára-Choque De Parada Do Capô GM Genuíno 22863104 JINC

R$ 14.00

Mercado Livre Parafuso De Fixação Da Bomba De Oleo Corsa 1994/ Gm 11068793
Parafuso De Fixação Da Bomba De Oleo Corsa 1994/ Gm 11068793

R$ 15.00

Mercado Livre Grampo Da Moldura E Porta-aplique Do Capô Substituí 11571175
Grampo Da Moldura E Porta-aplique Do Capô Substituí 11571175

R$ 19.76

Shopee 12 Grampo Moldura Porta Traseira • Tracker Nova 2020 2021 2022 2023 2024 2025 Cod. 15864780 53380335AP 19352782 11571175
12 Grampo Moldura Porta Traseira • Tracker Nova 2020 2021 2022 2023 2024 2025 Cod. 15864780 53380335AP 19352782 11571175

R$ 21.79

Shopee 12 Grampo Moldura Paralama Dianteiro Traseiro  Tracker Nova (14/24) Cod. Orig. 11571175  19352782  53380335AP  11588818
12 Grampo Moldura Paralama Dianteiro Traseiro Tracker Nova (14/24) Cod. Orig. 11571175 19352782 53380335AP 11588818

R$ 24.89

Mercado Livre Suporte Vareta Capô Onix Cruze Cobalt Spin Original 95936797
Suporte Vareta Capô Onix Cruze Cobalt Spin Original 95936797

R$ 25.00

Mercado Livre Suporte Vareta Capô Astra Vectra Meriva Original 90149859
Suporte Vareta Capô Astra Vectra Meriva Original 90149859

R$ 26.50

eBay Porca multiuso genuína GM 11546449
Porca multiuso genuína GM 11546449

R$ 5.35

eBay Porca de buzina genuína GM 11546389
Porca de buzina genuína GM 11546389

R$ 5.38

eBay Genuine GM Horn Nut 11546389
Genuine GM Horn Nut 11546389

R$ 5.38

eBay parafuso 11516932
parafuso 11516932

R$ 5.55

eBay 11516061 - BOLT - General Motors
11516061 - BOLT - General Motors

R$ 6.09

eBay 11517679 - BOLT - General Motors
11517679 - BOLT - General Motors

R$ 6.25

eBay Suporte de haste de suporte para capô retentor GM 94580619
Suporte de haste de suporte para capô retentor GM 94580619

R$ 8.03

eBay PARAFUSO VAUXHALL - GENUÍNO NOVO - 11093971
PARAFUSO VAUXHALL - GENUÍNO NOVO - 11093971

R$ 8.10

eBay Bushing Hood Hold Open Rod 94580619 for GM Holden
Bushing Hood Hold Open Rod 94580619 for GM Holden

R$ 9.75

eBay Braçadeira de mangueira Saab genuína para 2007-2010 Saab 9-3 90572594-AB
Braçadeira de mangueira Saab genuína para 2007-2010 Saab 9-3 90572594-AB

R$ 12.58

eBay Genuíno GM Gm 11548142
Genuíno GM Gm 11548142

R$ 13.02

eBay Bolt/Screw-A/C Cmpr & Cndsr Hose Clip 94012127 for GM Holden
Bolt/Screw-A/C Cmpr & Cndsr Hose Clip 94012127 for GM Holden

R$ 16.87

eBay AFCH GM OEM Novo Forro de Roda Protetor contra Resping Parafuso 11609489
AFCH GM OEM Novo Forro de Roda Protetor contra Resping Parafuso 11609489

R$ 18.57

eBay Parafuso sensor de pressão de ar turbo GM 13144822
Parafuso sensor de pressão de ar turbo GM 13144822

R$ 21.60

eBay Suporte de haste de suporte para capô GM OEM 94580619 (1) suporte vendido apenas individualmente
Suporte de haste de suporte para capô GM OEM 94580619 (1) suporte vendido apenas individualmente

R$ 23.08

eBay Braçadeira 10108255 GM
Braçadeira 10108255 GM

R$ 24.04

eBay Parafuso multiuso genuíno GM M6x1x19 11519382
Parafuso multiuso genuíno GM M6x1x19 11519382

R$ 24.94

AliExpress Sensor de posição do virabrequim 5wk96071 para opel astra omega calibra vectra 0261210030 90213515 acessórios de reposição de carro de alta qualidade
Sensor de posição do virabrequim 5wk96071 para opel astra omega calibra vectra 0261210030 90213515 acessórios de reposição de carro de alta qualidade

R$ 25.39

eBay Parafuso multiuso GM M6x12 genuíno 11093971
Parafuso multiuso GM M6x12 genuíno 11093971

R$ 26.00

eBay Genuine GM Back Glass Wiper Arm Nut 94515107
Genuine GM Back Glass Wiper Arm Nut 94515107

R$ 26.49

eBay Parafuso de parafuso GM 11516618 NOVO NA CAIXA
Parafuso de parafuso GM 11516618 NOVO NA CAIXA

R$ 26.61

eBay Genuine GM Bolt 11518061
Genuine GM Bolt 11518061

R$ 26.68

eBay NOS GM 94107518 Bolt
NOS GM 94107518 Bolt

R$ 26.68

eBay Genuine OEM GM M6x1x19 Multi-Purpose Bolt, GM 11519382, New
Genuine OEM GM M6x1x19 Multi-Purpose Bolt, GM 11519382, New

R$ 26.77

Você também pode se interessar...
Mercado Livre Parafuso Gm 52079061
Parafuso Gm 52079061

R$ 1.93

Mercado Livre Braçadeira Gm 90469893
Braçadeira Gm 90469893

R$ 38.32

Mercado Livre Parafuso Gm 94012127
Parafuso Gm 94012127

R$ 9.63

Mercado Livre Parafuso Chevrolet Cobalt Lt 12/20
Parafuso Chevrolet Cobalt Lt 12/20

R$ 20.63

Mercado Livre Braçadeira 27mm Onix Spin Celta Corsa Cobalt 90572594 Orig
Braçadeira 27mm Onix Spin Celta Corsa Cobalt 90572594 Orig

R$ 39.89

Mercado Livre Braçadeira 44mm Mangueira Do Radiador Astra 95/96 90469895
Braçadeira 44mm Mangueira Do Radiador Astra 95/96 90469895

R$ 35.00

Mercado Livre Bracadeira Mangueira Do Radiador Astra Original Gm 1999 A 11
Bracadeira Mangueira Do Radiador Astra Original Gm 1999 A 11

R$ 26.24

Mercado Livre Parafuso Acessórios Chevrolet 11589012
Parafuso Acessórios Chevrolet 11589012

R$ 0.74

Mercado Livre Parafuso Gm 11519375
Parafuso Gm 11519375

R$ 3.02

Mercado Livre Assento Da Mola Gm 95936797
Assento Da Mola Gm 95936797

R$ 7.56

Mercado Livre Parafuso Para-lama Dianteiro Gm 11546456
Parafuso Para-lama Dianteiro Gm 11546456

R$ 11.31

Shopee Pára-Choque De Parada Do Capô GM Genuíno 22863104 Gancho
Pára-Choque De Parada Do Capô GM Genuíno 22863104 Gancho

R$ 12.80

Shopee Batente Capo Corsa Ref:90054143
Batente Capo Corsa Ref:90054143

R$ 13.21

Shopee Pára-Choque De Parada Do Capô GM Genuíno 22863104 JINC
Pára-Choque De Parada Do Capô GM Genuíno 22863104 JINC

R$ 14.00

Mercado Livre Parafuso De Fixação Da Bomba De Oleo Corsa 1994/ Gm 11068793
Parafuso De Fixação Da Bomba De Oleo Corsa 1994/ Gm 11068793

R$ 15.00

Mercado Livre Grampo Da Moldura E Porta-aplique Do Capô Substituí 11571175
Grampo Da Moldura E Porta-aplique Do Capô Substituí 11571175

R$ 19.76

Shopee 12 Grampo Moldura Porta Traseira • Tracker Nova 2020 2021 2022 2023 2024 2025 Cod. 15864780 53380335AP 19352782 11571175
12 Grampo Moldura Porta Traseira • Tracker Nova 2020 2021 2022 2023 2024 2025 Cod. 15864780 53380335AP 19352782 11571175

R$ 21.79

Shopee 12 Grampo Moldura Paralama Dianteiro Traseiro  Tracker Nova (14/24) Cod. Orig. 11571175  19352782  53380335AP  11588818
12 Grampo Moldura Paralama Dianteiro Traseiro Tracker Nova (14/24) Cod. Orig. 11571175 19352782 53380335AP 11588818

R$ 24.89

Mercado Livre Suporte Vareta Capô Onix Cruze Cobalt Spin Original 95936797
Suporte Vareta Capô Onix Cruze Cobalt Spin Original 95936797

R$ 25.00

Mercado Livre Suporte Vareta Capô Astra Vectra Meriva Original 90149859
Suporte Vareta Capô Astra Vectra Meriva Original 90149859

R$ 26.50

eBay Porca multiuso genuína GM 11546449
Porca multiuso genuína GM 11546449

R$ 5.35

eBay Porca de buzina genuína GM 11546389
Porca de buzina genuína GM 11546389

R$ 5.38

eBay Genuine GM Horn Nut 11546389
Genuine GM Horn Nut 11546389

R$ 5.38

eBay parafuso 11516932
parafuso 11516932

R$ 5.55

eBay 11516061 - BOLT - General Motors
11516061 - BOLT - General Motors

R$ 6.09

eBay 11517679 - BOLT - General Motors
11517679 - BOLT - General Motors

R$ 6.25

eBay Suporte de haste de suporte para capô retentor GM 94580619
Suporte de haste de suporte para capô retentor GM 94580619

R$ 8.03

eBay PARAFUSO VAUXHALL - GENUÍNO NOVO - 11093971
PARAFUSO VAUXHALL - GENUÍNO NOVO - 11093971

R$ 8.10

eBay Bushing Hood Hold Open Rod 94580619 for GM Holden
Bushing Hood Hold Open Rod 94580619 for GM Holden

R$ 9.75

eBay Braçadeira de mangueira Saab genuína para 2007-2010 Saab 9-3 90572594-AB
Braçadeira de mangueira Saab genuína para 2007-2010 Saab 9-3 90572594-AB

R$ 12.58

eBay Genuíno GM Gm 11548142
Genuíno GM Gm 11548142

R$ 13.02

eBay Bolt/Screw-A/C Cmpr & Cndsr Hose Clip 94012127 for GM Holden
Bolt/Screw-A/C Cmpr & Cndsr Hose Clip 94012127 for GM Holden

R$ 16.87

eBay AFCH GM OEM Novo Forro de Roda Protetor contra Resping Parafuso 11609489
AFCH GM OEM Novo Forro de Roda Protetor contra Resping Parafuso 11609489

R$ 18.57

eBay Parafuso sensor de pressão de ar turbo GM 13144822
Parafuso sensor de pressão de ar turbo GM 13144822

R$ 21.60

eBay Suporte de haste de suporte para capô GM OEM 94580619 (1) suporte vendido apenas individualmente
Suporte de haste de suporte para capô GM OEM 94580619 (1) suporte vendido apenas individualmente

R$ 23.08

eBay Braçadeira 10108255 GM
Braçadeira 10108255 GM

R$ 24.04

eBay Parafuso multiuso genuíno GM M6x1x19 11519382
Parafuso multiuso genuíno GM M6x1x19 11519382

R$ 24.94

AliExpress Sensor de posição do virabrequim 5wk96071 para opel astra omega calibra vectra 0261210030 90213515 acessórios de reposição de carro de alta qualidade
Sensor de posição do virabrequim 5wk96071 para opel astra omega calibra vectra 0261210030 90213515 acessórios de reposição de carro de alta qualidade

R$ 25.39

eBay Parafuso multiuso GM M6x12 genuíno 11093971
Parafuso multiuso GM M6x12 genuíno 11093971

R$ 26.00

eBay Genuine GM Back Glass Wiper Arm Nut 94515107
Genuine GM Back Glass Wiper Arm Nut 94515107

R$ 26.49

eBay Parafuso de parafuso GM 11516618 NOVO NA CAIXA
Parafuso de parafuso GM 11516618 NOVO NA CAIXA

R$ 26.61

eBay Genuine GM Bolt 11518061
Genuine GM Bolt 11518061

R$ 26.68

eBay NOS GM 94107518 Bolt
NOS GM 94107518 Bolt

R$ 26.68

eBay Genuine OEM GM M6x1x19 Multi-Purpose Bolt, GM 11519382, New
Genuine OEM GM M6x1x19 Multi-Purpose Bolt, GM 11519382, New

R$ 26.77

Tem uma sugestão?

Clique e envie sua ideia

Termos de Uso e Aviso Legal

Este site é totalmente independente e não possui qualquer vínculo, associação ou patrocínio da Chevrolet, da General Motors ou de suas subsidiárias, marcas ou representantes. Todas as menções a nomes, marcas e códigos de peças são exclusivamente informativas.

As informações disponibilizadas têm caráter meramente informativo e podem conter erros, omissões ou imprecisões. Não garantimos a exatidão, completude ou atualidade dos dados.

Este site não vende peças nem realiza intermediação comercial. Os links e redirecionamentos exibidos servem apenas para consulta de preços em sites de terceiros (marketplaces, lojas ou fornecedores independentes).

Qualquer compra realizada a partir desses links é de inteira responsabilidade do usuário e do vendedor/fornecedor escolhido. Não nos responsabilizamos por negociações, pagamentos, prazos de entrega, qualidade, garantias, trocas, devoluções, reembolsos, divergências ou quaisquer prejuízos decorrentes de transações com terceiros.

O uso deste site é de responsabilidade exclusiva do usuário. Em nenhuma hipótese seremos responsáveis por danos diretos, indiretos, incidentais, consequenciais ou punitivos decorrentes do uso das informações aqui apresentadas ou de transações realizadas em sites externos.

Estamos Ouvindo Você!
Envie suas Sugestões, Reclamações ou Dúvidas