Catálogo CepChev
  1. Início
  2. Cruze Hatch 2012/2016
  3. Freios

Selecione uma seção do grupo 'Freios' e encontre rapidamente códigos, descrições e referências para manutenção ou restauração para Cruze Hatch 2012/2016.

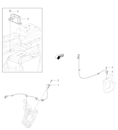
Freio de estacionamento a disco (J60, J67) com cabos e alavancas completas

Imagem de Freio de estacionamento a disco (J60, J67) com cabos e alavancas completas

Pedais de freio e acelerador com sensores e fixações para sistema automático

Imagem de Pedais de freio e acelerador com sensores e fixações para sistema automático

Pedais, cilindro-mestre e sensores de freio, embreagem e acelerador manual

Imagem de Pedais, cilindro-mestre e sensores de freio, embreagem e acelerador manual

Pinça e componentes do freio a disco traseiro com alavanca e pastilhas

Imagem de Pinça e componentes do freio a disco traseiro com alavanca e pastilhas

Pinça e pastilhas de freio a disco dianteiro 15" com acessórios completos

Imagem de Pinça e pastilhas de freio a disco dianteiro 15" com acessórios completos

Servomotor e cilindro mestre do freio com reservatório e sensor de nível

Imagem de Servomotor e cilindro mestre do freio com reservatório e sensor de nível

Sistema elétrico dos freios com sensores e módulos de controle integrados

Imagem de Sistema elétrico dos freios com sensores e módulos de controle integrados

Tubulações e componentes do sistema de freio ABS (MH9)

Imagem de Tubulações e componentes do sistema de freio ABS (MH9)

Tubulações e mangueiras do freio a disco traseiro (J60, J67)

Imagem de Tubulações e mangueiras do freio a disco traseiro (J60, J67)

Válvula moduladora de pressão dos freios e módulo eletrônico de controle

Imagem de Válvula moduladora de pressão dos freios e módulo eletrônico de controle
Você também pode se interessar...
Mercado Livre Parafuso Gm 52079061
Parafuso Gm 52079061

R$ 1.93

Mercado Livre Parafuso Gm 94012127
Parafuso Gm 94012127

R$ 9.63

Mercado Livre Parafuso Chevrolet Cobalt Lt 12/20
Parafuso Chevrolet Cobalt Lt 12/20

R$ 20.63

Mercado Livre Kit Vedacao Cilindro Mestre Cruze 2014 Gm 90272667
Kit Vedacao Cilindro Mestre Cruze 2014 Gm 90272667

R$ 185.50

Mercado Livre Sensor De Velocidade Angular Cruze 1.8 - 13505725
Sensor De Velocidade Angular Cruze 1.8 - 13505725

R$ 219.99

Mercado Livre Anel Vedador Cilindro Mestre Vectra 97/05 Original 93272860
Anel Vedador Cilindro Mestre Vectra 97/05 Original 93272860

R$ 28.00

Mercado Livre Porca Da Suspensão Gm 93251996
Porca Da Suspensão Gm 93251996

R$ 6.15

Mercado Livre Porca Le Gm 11514519
Porca Le Gm 11514519

R$ 7.31

Shopee Retentor LD GM 90498320
Retentor LD GM 90498320

R$ 10.00

Mercado Livre Retentor Tubo Freio Tras (freio A Disco C/abs) Sonic 12/14 90498320
Retentor Tubo Freio Tras (freio A Disco C/abs) Sonic 12/14 90498320

R$ 14.56

Mercado Livre Parafuso De Fixação Da Bomba De Oleo Corsa 1994/ Gm 11068793
Parafuso De Fixação Da Bomba De Oleo Corsa 1994/ Gm 11068793

R$ 15.00

Mercado Livre Retentor Mangueira Do Freio Gm 90498320
Retentor Mangueira Do Freio Gm 90498320

R$ 16.35

Mercado Livre Porca Aco Chevrolet Omega Nova Original 93251996
Porca Aco Chevrolet Omega Nova Original 93251996

R$ 17.17

eBay Parafuso multiuso genuíno GM M10x1.5x35 11515767
Parafuso multiuso genuíno GM M10x1.5x35 11515767

R$ 5.24

eBay Parafuso de partida genuíno GM 11048336
Parafuso de partida genuíno GM 11048336

R$ 5.24

eBay Parafuso OE 11515767 -GM
Parafuso OE 11515767 -GM

R$ 5.30

eBay 11516061 - BOLT - General Motors
11516061 - BOLT - General Motors

R$ 6.09

eBay PARAFUSO VAUXHALL - GENUÍNO NOVO - 11048336
PARAFUSO VAUXHALL - GENUÍNO NOVO - 11048336

R$ 7.23

eBay PARAFUSO VAUXHALL - GENUÍNO NOVO - 11093971
PARAFUSO VAUXHALL - GENUÍNO NOVO - 11093971

R$ 8.10

eBay Genuíno GM Gm 11548142
Genuíno GM Gm 11548142

R$ 13.02

eBay 22718825 - RETAINER - General Motors
22718825 - RETAINER - General Motors

R$ 14.16

eBay Parafuso de suporte trans genuíno GM OEM 11515767
Parafuso de suporte trans genuíno GM OEM 11515767

R$ 15.52

eBay Bolt/Screw-A/C Cmpr & Cndsr Hose Clip 94012127 for GM Holden
Bolt/Screw-A/C Cmpr & Cndsr Hose Clip 94012127 for GM Holden

R$ 16.87

eBay OE GM 11514766 Engine Oil Cooler Pipe Clamp Bolt
OE GM 11514766 Engine Oil Cooler Pipe Clamp Bolt

R$ 18.54

AliExpress Interruptor de luz de freio sensor de pedal de freio para chevrolet cruze captiva cadillac cts buick encore 2013-2015 1247564 13583374 13583370
Interruptor de luz de freio sensor de pedal de freio para chevrolet cruze captiva cadillac cts buick encore 2013-2015 1247564 13583374 13583370

R$ 19.25

AliExpress VRVR-Sensor de luz de freio para Chevrolet Cruze, Captiva, Cadillac CTS, Buick Encore, 13583370, Interruptor de luz de freio, 2013-2015
VRVR-Sensor de luz de freio para Chevrolet Cruze, Captiva, Cadillac CTS, Buick Encore, 13583370, Interruptor de luz de freio, 2013-2015

R$ 19.69

AliExpress Yaopei 13583370 interruptor da luz de freio para buick encore 2013 2014 2015 13597423
Yaopei 13583370 interruptor da luz de freio para buick encore 2013 2014 2015 13597423

R$ 20.59

AliExpress Luz de freio para Cadillac Chevrolet GMC, Acessórios Automotivos, Novo, 13583370, 13597423
Luz de freio para Cadillac Chevrolet GMC, Acessórios Automotivos, Novo, 13583370, 13597423

R$ 20.69

eBay GM Hood Hinge Nut 11514519 (Qty. 1)
GM Hood Hinge Nut 11514519 (Qty. 1)

R$ 21.30

eBay Parafusos de montagem de estoque para lanterna traseira Corvette 1991-1996 (2) GM 22527475
Parafusos de montagem de estoque para lanterna traseira Corvette 1991-1996 (2) GM 22527475

R$ 21.62

eBay Porca sextavada genuína GM 11514519
Porca sextavada genuína GM 11514519

R$ 23.91

eBay Plugue de furo multiuso ACDelco genuíno 8654382
Plugue de furo multiuso ACDelco genuíno 8654382

R$ 24.45

AliExpress Sensor de posição do virabrequim 5wk96071 para opel astra omega calibra vectra 0261210030 90213515 acessórios de reposição de carro de alta qualidade
Sensor de posição do virabrequim 5wk96071 para opel astra omega calibra vectra 0261210030 90213515 acessórios de reposição de carro de alta qualidade

R$ 25.39

eBay Parafuso de tampa de rolamento principal do virabrequim do motor GM OEM 11589000
Parafuso de tampa de rolamento principal do virabrequim do motor GM OEM 11589000

R$ 25.92

eBay Parafuso multiuso GM M6x12 genuíno 11093971
Parafuso multiuso GM M6x12 genuíno 11093971

R$ 26.00

eBay Porca multiuso genuína GM M8x1.25 11514519 (1) vendida individualmente
Porca multiuso genuína GM M8x1.25 11514519 (1) vendida individualmente

R$ 26.04

eBay NOS GM OEM Stabilizer Sway Bar-Front-Stabilizer Suspension Bolt #11515767 Qty.1
NOS GM OEM Stabilizer Sway Bar-Front-Stabilizer Suspension Bolt #11515767 Qty.1

R$ 26.43

eBay Genuine GM Bolt 11518061
Genuine GM Bolt 11518061

R$ 26.68

eBay NOS GM 94107518 Bolt
NOS GM 94107518 Bolt

R$ 26.68

eBay Parafuso de suporte de partida GM OEM 11588739
Parafuso de suporte de partida GM OEM 11588739

R$ 27.07

eBay Genuine GM M8x1.25x50 Multi-Purpose Bolt 11589000
Genuine GM M8x1.25x50 Multi-Purpose Bolt 11589000

R$ 27.74

AliExpress Sensor de posição do virabrequim para Astra F MK3 Calibra Omega Vectra B Vauxhall Opel, 5WK96071, alta qualidade, 0261210030, 90213515
Sensor de posição do virabrequim para Astra F MK3 Calibra Omega Vectra B Vauxhall Opel, 5WK96071, alta qualidade, 0261210030, 90213515

R$ 27.79

AliExpress 0261210030   Sensor de posição do virabrequim do eixo da manivela para Opel Astra Omega Calibra Vectra 90213515 90506103
0261210030 Sensor de posição do virabrequim do eixo da manivela para Opel Astra Omega Calibra Vectra 90213515 90506103

R$ 28.79

eBay Genuine GM M8x1.25x25 Multi-Purpose Bolt 11609410
Genuine GM M8x1.25x25 Multi-Purpose Bolt 11609410

R$ 29.34

eBay Parafuso multiuso GM M8x1.25x50 genuíno 11589000
Parafuso multiuso GM M8x1.25x50 genuíno 11589000

R$ 29.82

eBay Parafuso multiuso GM M8x1.25x25 genuíno 11609410
Parafuso multiuso GM M8x1.25x25 genuíno 11609410

R$ 29.88

eBay Parafuso GM 11518061 genuíno
Parafuso GM 11518061 genuíno

R$ 30.45

eBay Parafuso de tampa de rolamento principal do virabrequim do motor original GM 11589000
Parafuso de tampa de rolamento principal do virabrequim do motor original GM 11589000

R$ 30.79

eBay Genuine GM Multi-Purpose Clip 90498320
Genuine GM Multi-Purpose Clip 90498320

R$ 31.61

Você também pode se interessar...
Mercado Livre Parafuso Gm 52079061
Parafuso Gm 52079061

R$ 1.93

Mercado Livre Parafuso Gm 94012127
Parafuso Gm 94012127

R$ 9.63

Mercado Livre Parafuso Chevrolet Cobalt Lt 12/20
Parafuso Chevrolet Cobalt Lt 12/20

R$ 20.63

Mercado Livre Kit Vedacao Cilindro Mestre Cruze 2014 Gm 90272667
Kit Vedacao Cilindro Mestre Cruze 2014 Gm 90272667

R$ 185.50

Mercado Livre Sensor De Velocidade Angular Cruze 1.8 - 13505725
Sensor De Velocidade Angular Cruze 1.8 - 13505725

R$ 219.99

Mercado Livre Anel Vedador Cilindro Mestre Vectra 97/05 Original 93272860
Anel Vedador Cilindro Mestre Vectra 97/05 Original 93272860

R$ 28.00

Mercado Livre Porca Da Suspensão Gm 93251996
Porca Da Suspensão Gm 93251996

R$ 6.15

Mercado Livre Porca Le Gm 11514519
Porca Le Gm 11514519

R$ 7.31

Shopee Retentor LD GM 90498320
Retentor LD GM 90498320

R$ 10.00

Mercado Livre Retentor Tubo Freio Tras (freio A Disco C/abs) Sonic 12/14 90498320
Retentor Tubo Freio Tras (freio A Disco C/abs) Sonic 12/14 90498320

R$ 14.56

Mercado Livre Parafuso De Fixação Da Bomba De Oleo Corsa 1994/ Gm 11068793
Parafuso De Fixação Da Bomba De Oleo Corsa 1994/ Gm 11068793

R$ 15.00

Mercado Livre Retentor Mangueira Do Freio Gm 90498320
Retentor Mangueira Do Freio Gm 90498320

R$ 16.35

Mercado Livre Porca Aco Chevrolet Omega Nova Original 93251996
Porca Aco Chevrolet Omega Nova Original 93251996

R$ 17.17

eBay Parafuso multiuso genuíno GM M10x1.5x35 11515767
Parafuso multiuso genuíno GM M10x1.5x35 11515767

R$ 5.24

eBay Parafuso de partida genuíno GM 11048336
Parafuso de partida genuíno GM 11048336

R$ 5.24

eBay Parafuso OE 11515767 -GM
Parafuso OE 11515767 -GM

R$ 5.30

eBay 11516061 - BOLT - General Motors
11516061 - BOLT - General Motors

R$ 6.09

eBay PARAFUSO VAUXHALL - GENUÍNO NOVO - 11048336
PARAFUSO VAUXHALL - GENUÍNO NOVO - 11048336

R$ 7.23

eBay PARAFUSO VAUXHALL - GENUÍNO NOVO - 11093971
PARAFUSO VAUXHALL - GENUÍNO NOVO - 11093971

R$ 8.10

eBay Genuíno GM Gm 11548142
Genuíno GM Gm 11548142

R$ 13.02

eBay 22718825 - RETAINER - General Motors
22718825 - RETAINER - General Motors

R$ 14.16

eBay Parafuso de suporte trans genuíno GM OEM 11515767
Parafuso de suporte trans genuíno GM OEM 11515767

R$ 15.52

eBay Bolt/Screw-A/C Cmpr & Cndsr Hose Clip 94012127 for GM Holden
Bolt/Screw-A/C Cmpr & Cndsr Hose Clip 94012127 for GM Holden

R$ 16.87

eBay OE GM 11514766 Engine Oil Cooler Pipe Clamp Bolt
OE GM 11514766 Engine Oil Cooler Pipe Clamp Bolt

R$ 18.54

AliExpress Interruptor de luz de freio sensor de pedal de freio para chevrolet cruze captiva cadillac cts buick encore 2013-2015 1247564 13583374 13583370
Interruptor de luz de freio sensor de pedal de freio para chevrolet cruze captiva cadillac cts buick encore 2013-2015 1247564 13583374 13583370

R$ 19.25

AliExpress VRVR-Sensor de luz de freio para Chevrolet Cruze, Captiva, Cadillac CTS, Buick Encore, 13583370, Interruptor de luz de freio, 2013-2015
VRVR-Sensor de luz de freio para Chevrolet Cruze, Captiva, Cadillac CTS, Buick Encore, 13583370, Interruptor de luz de freio, 2013-2015

R$ 19.69

AliExpress Yaopei 13583370 interruptor da luz de freio para buick encore 2013 2014 2015 13597423
Yaopei 13583370 interruptor da luz de freio para buick encore 2013 2014 2015 13597423

R$ 20.59

AliExpress Luz de freio para Cadillac Chevrolet GMC, Acessórios Automotivos, Novo, 13583370, 13597423
Luz de freio para Cadillac Chevrolet GMC, Acessórios Automotivos, Novo, 13583370, 13597423

R$ 20.69

eBay GM Hood Hinge Nut 11514519 (Qty. 1)
GM Hood Hinge Nut 11514519 (Qty. 1)

R$ 21.30

eBay Parafusos de montagem de estoque para lanterna traseira Corvette 1991-1996 (2) GM 22527475
Parafusos de montagem de estoque para lanterna traseira Corvette 1991-1996 (2) GM 22527475

R$ 21.62

eBay Porca sextavada genuína GM 11514519
Porca sextavada genuína GM 11514519

R$ 23.91

eBay Plugue de furo multiuso ACDelco genuíno 8654382
Plugue de furo multiuso ACDelco genuíno 8654382

R$ 24.45

AliExpress Sensor de posição do virabrequim 5wk96071 para opel astra omega calibra vectra 0261210030 90213515 acessórios de reposição de carro de alta qualidade
Sensor de posição do virabrequim 5wk96071 para opel astra omega calibra vectra 0261210030 90213515 acessórios de reposição de carro de alta qualidade

R$ 25.39

eBay Parafuso de tampa de rolamento principal do virabrequim do motor GM OEM 11589000
Parafuso de tampa de rolamento principal do virabrequim do motor GM OEM 11589000

R$ 25.92

eBay Parafuso multiuso GM M6x12 genuíno 11093971
Parafuso multiuso GM M6x12 genuíno 11093971

R$ 26.00

eBay Porca multiuso genuína GM M8x1.25 11514519 (1) vendida individualmente
Porca multiuso genuína GM M8x1.25 11514519 (1) vendida individualmente

R$ 26.04

eBay NOS GM OEM Stabilizer Sway Bar-Front-Stabilizer Suspension Bolt #11515767 Qty.1
NOS GM OEM Stabilizer Sway Bar-Front-Stabilizer Suspension Bolt #11515767 Qty.1

R$ 26.43

eBay Genuine GM Bolt 11518061
Genuine GM Bolt 11518061

R$ 26.68

eBay NOS GM 94107518 Bolt
NOS GM 94107518 Bolt

R$ 26.68

eBay Parafuso de suporte de partida GM OEM 11588739
Parafuso de suporte de partida GM OEM 11588739

R$ 27.07

eBay Genuine GM M8x1.25x50 Multi-Purpose Bolt 11589000
Genuine GM M8x1.25x50 Multi-Purpose Bolt 11589000

R$ 27.74

AliExpress Sensor de posição do virabrequim para Astra F MK3 Calibra Omega Vectra B Vauxhall Opel, 5WK96071, alta qualidade, 0261210030, 90213515
Sensor de posição do virabrequim para Astra F MK3 Calibra Omega Vectra B Vauxhall Opel, 5WK96071, alta qualidade, 0261210030, 90213515

R$ 27.79

AliExpress 0261210030   Sensor de posição do virabrequim do eixo da manivela para Opel Astra Omega Calibra Vectra 90213515 90506103
0261210030 Sensor de posição do virabrequim do eixo da manivela para Opel Astra Omega Calibra Vectra 90213515 90506103

R$ 28.79

eBay Genuine GM M8x1.25x25 Multi-Purpose Bolt 11609410
Genuine GM M8x1.25x25 Multi-Purpose Bolt 11609410

R$ 29.34

eBay Parafuso multiuso GM M8x1.25x50 genuíno 11589000
Parafuso multiuso GM M8x1.25x50 genuíno 11589000

R$ 29.82

eBay Parafuso multiuso GM M8x1.25x25 genuíno 11609410
Parafuso multiuso GM M8x1.25x25 genuíno 11609410

R$ 29.88

eBay Parafuso GM 11518061 genuíno
Parafuso GM 11518061 genuíno

R$ 30.45

eBay Parafuso de tampa de rolamento principal do virabrequim do motor original GM 11589000
Parafuso de tampa de rolamento principal do virabrequim do motor original GM 11589000

R$ 30.79

eBay Genuine GM Multi-Purpose Clip 90498320
Genuine GM Multi-Purpose Clip 90498320

R$ 31.61

Tem uma sugestão?

Clique e envie sua ideia

Termos de Uso e Aviso Legal

Este site é totalmente independente e não possui qualquer vínculo, associação ou patrocínio da Chevrolet, da General Motors ou de suas subsidiárias, marcas ou representantes. Todas as menções a nomes, marcas e códigos de peças são exclusivamente informativas.

As informações disponibilizadas têm caráter meramente informativo e podem conter erros, omissões ou imprecisões. Não garantimos a exatidão, completude ou atualidade dos dados.

Este site não vende peças nem realiza intermediação comercial. Os links e redirecionamentos exibidos servem apenas para consulta de preços em sites de terceiros (marketplaces, lojas ou fornecedores independentes).

Qualquer compra realizada a partir desses links é de inteira responsabilidade do usuário e do vendedor/fornecedor escolhido. Não nos responsabilizamos por negociações, pagamentos, prazos de entrega, qualidade, garantias, trocas, devoluções, reembolsos, divergências ou quaisquer prejuízos decorrentes de transações com terceiros.

O uso deste site é de responsabilidade exclusiva do usuário. Em nenhuma hipótese seremos responsáveis por danos diretos, indiretos, incidentais, consequenciais ou punitivos decorrentes do uso das informações aqui apresentadas ou de transações realizadas em sites externos.

Estamos Ouvindo Você!
Envie suas Sugestões, Reclamações ou Dúvidas