Catálogo CepChev
  1. Início
  2. Cruze Hatch 2012/2016
  3. Transmissão automática

Selecione uma seção do grupo 'Transmissão automática' e encontre rapidamente códigos, descrições e referências para manutenção ou restauração para Cruze Hatch 2012/2016.

Bomba de óleo e válvulas para transmissão automática e conversor de torque

Imagem de Bomba de óleo e válvulas para transmissão automática e conversor de torque

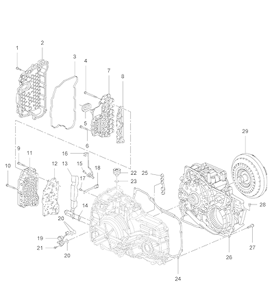
Conjunto da transmissão automática

Imagem de Conjunto da transmissão automática

Controle e alavanca da transmissão automática (MH9)

Imagem de Controle e alavanca da transmissão automática (MH9)

Mangueira e ventilações para transmissão automática (MH9)

Imagem de Mangueira e ventilações para transmissão automática (MH9)

Transmissão automática caixa com suportes, vedadores e componentes de fluido

Imagem de Transmissão automática caixa com suportes, vedadores e componentes de fluido

Transmissão automática com conversor de torque e diferencial dianteiro

Imagem de Transmissão automática com conversor de torque e diferencial dianteiro

Transmissão automática com embreagem e componentes da marcha ré (3–5 mm)

Imagem de Transmissão automática com embreagem e componentes da marcha ré (3–5 mm)

Transmissão automática com engrenagens e suportes de entrada, saída e reação

Imagem de Transmissão automática com engrenagens e suportes de entrada, saída e reação

Transmissão automática com placas e componentes da embreagem de baixa e ré

Imagem de Transmissão automática com placas e componentes da embreagem de baixa e ré

Transmissão automática corpo da válvula de controle e reguladores de embreagem

Imagem de Transmissão automática corpo da válvula de controle e reguladores de embreagem

Transmissão automática corpo e válvula de controle com acessórios e parafusos

Imagem de Transmissão automática corpo e válvula de controle com acessórios e parafusos

Transmissão automática e componentes do diferencial dianteiro frontal

Imagem de Transmissão automática e componentes do diferencial dianteiro frontal

Transmissão automática e diferencial dianteiro (relação 3,72) com suportes e rolamentos

Imagem de Transmissão automática e diferencial dianteiro (relação 3,72) com suportes e rolamentos

Transmissão automática e embreagem 3-5-Ré e 4-5-6 (Ø97,39 mm)

Imagem de Transmissão automática e embreagem 3-5-Ré e 4-5-6 (Ø97,39 mm)

Transmissão automática e sistema de estacionamento (MH9)

Imagem de Transmissão automática e sistema de estacionamento (MH9)

Transmissão automática partes associadas e conversor de torque (MH9)

Imagem de Transmissão automática partes associadas e conversor de torque (MH9)

Tubo e resfriador do fluido da transmissão automática (MH9)

Imagem de Tubo e resfriador do fluido da transmissão automática (MH9)
Você também pode se interessar...
Mercado Livre Parafuso Chevrolet Cobalt Lt 12/20
Parafuso Chevrolet Cobalt Lt 12/20

R$ 20.63

Mercado Livre Conector Do Tubo Elemento De Óleo Radiador Tracker 15226661
Conector Do Tubo Elemento De Óleo Radiador Tracker 15226661

R$ 132.62

Mercado Livre Retentor Tulipa Lado Esquerdo Direito Gm 24230715 24230682
Retentor Tulipa Lado Esquerdo Direito Gm 24230715 24230682

R$ 74.46

Mercado Livre Placa Espaçador Gm 24267597
Placa Espaçador Gm 24267597

R$ 214.51

Mercado Livre Porca Ld Gm 93218743
Porca Ld Gm 93218743

R$ 3.29

Mercado Livre Porca Da Suspensão Gm 93251996
Porca Da Suspensão Gm 93251996

R$ 6.15

Mercado Livre Porca Aco Chevrolet Omega Nova Original 93251996
Porca Aco Chevrolet Omega Nova Original 93251996

R$ 17.17

Mercado Livre Parafuso Captiva Sport 3.6 Awd 08/11 Gm 11588714
Parafuso Captiva Sport 3.6 Awd 08/11 Gm 11588714

R$ 18.62

Mercado Livre Selo Bujao Cambio Astra Corsa Cobalt Onix Spin 90470781 Orig
Selo Bujao Cambio Astra Corsa Cobalt Onix Spin 90470781 Orig

R$ 19.89

Mercado Livre Retentor Haste Seletora Cambio 6t30 24256576
Retentor Haste Seletora Cambio 6t30 24256576

R$ 31.41

Mercado Livre Selo Sensor Velocidade Câmbio Astra,.. Original 90470781
Selo Sensor Velocidade Câmbio Astra,.. Original 90470781

R$ 34.00

AliExpress Original e novo sensor de transmissão automática 6t40 6t40e 24243351 para transmissão chevrolet buick gm 6t40 6t40e
Original e novo sensor de transmissão automática 6t40 6t40e 24243351 para transmissão chevrolet buick gm 6t40 6t40e

R$ 229.99

eBay Parafuso multiuso genuíno GM M10x1.5x35 11515767
Parafuso multiuso genuíno GM M10x1.5x35 11515767

R$ 5.24

eBay Parafuso de partida genuíno GM 11048336
Parafuso de partida genuíno GM 11048336

R$ 5.24

eBay Parafuso OE 11515767 -GM
Parafuso OE 11515767 -GM

R$ 5.30

eBay PARAFUSO VAUXHALL - GENUÍNO NOVO - 11048336
PARAFUSO VAUXHALL - GENUÍNO NOVO - 11048336

R$ 7.23

eBay Parafuso de suporte trans genuíno GM OEM 11515767
Parafuso de suporte trans genuíno GM OEM 11515767

R$ 15.52

eBay Bolt/Screw-A/C Cmpr & Cndsr Hose Clip 94012127 for GM Holden
Bolt/Screw-A/C Cmpr & Cndsr Hose Clip 94012127 for GM Holden

R$ 16.87

eBay OE GM 11514766 Engine Oil Cooler Pipe Clamp Bolt
OE GM 11514766 Engine Oil Cooler Pipe Clamp Bolt

R$ 18.54

eBay GM OEM 08-24 Canyon EngineTransaxle entrada de ar-limpador de ar parafuso assy 11519507
GM OEM 08-24 Canyon EngineTransaxle entrada de ar-limpador de ar parafuso assy 11519507

R$ 19.28

eBay Parafusos de montagem de estoque para lanterna traseira Corvette 1991-1996 (2) GM 22527475
Parafusos de montagem de estoque para lanterna traseira Corvette 1991-1996 (2) GM 22527475

R$ 21.62

eBay Parafuso multiuso genuíno GM M6x1x38 11519507
Parafuso multiuso genuíno GM M6x1x38 11519507

R$ 23.02

eBay Plugue de furo multiuso ACDelco genuíno 8654382
Plugue de furo multiuso ACDelco genuíno 8654382

R$ 24.45

eBay Parafuso de tampa de rolamento principal do virabrequim do motor GM OEM 11589000
Parafuso de tampa de rolamento principal do virabrequim do motor GM OEM 11589000

R$ 25.92

eBay NOS GM OEM Stabilizer Sway Bar-Front-Stabilizer Suspension Bolt #11515767 Qty.1
NOS GM OEM Stabilizer Sway Bar-Front-Stabilizer Suspension Bolt #11515767 Qty.1

R$ 26.43

eBay Parafuso de suporte de partida GM OEM 11588739
Parafuso de suporte de partida GM OEM 11588739

R$ 27.07

eBay Genuine GM M8x1.25x50 Multi-Purpose Bolt 11589000
Genuine GM M8x1.25x50 Multi-Purpose Bolt 11589000

R$ 27.74

eBay Genuine GM M8x1.25x25 Multi-Purpose Bolt 11609410
Genuine GM M8x1.25x25 Multi-Purpose Bolt 11609410

R$ 29.34

eBay Parafuso multiuso GM M8x1.25x50 genuíno 11589000
Parafuso multiuso GM M8x1.25x50 genuíno 11589000

R$ 29.82

eBay Parafuso multiuso GM M8x1.25x25 genuíno 11609410
Parafuso multiuso GM M8x1.25x25 genuíno 11609410

R$ 29.88

eBay 24211635 - PARAFUSO - General Motors
24211635 - PARAFUSO - General Motors

R$ 30.13

eBay Parafuso de tampa de rolamento principal do virabrequim do motor original GM 11589000
Parafuso de tampa de rolamento principal do virabrequim do motor original GM 11589000

R$ 30.79

eBay Parafusos de montagem de fábrica para carcaça de lanterna traseira Corvette 1991-1996 (2) GM 22527475
Parafusos de montagem de fábrica para carcaça de lanterna traseira Corvette 1991-1996 (2) GM 22527475

R$ 32.46

eBay GENUÍNO VAUXHALL MULTI MODELO E MUITOS USOS M8 x 25mm HD PARAFUSO DE CABEÇA SEXTAVADA 11588723
GENUÍNO VAUXHALL MULTI MODELO E MUITOS USOS M8 x 25mm HD PARAFUSO DE CABEÇA SEXTAVADA 11588723

R$ 35.57

eBay VAUXHALL HEX HEAD SCREW - GENUINE NEW - 11588723
VAUXHALL HEX HEAD SCREW - GENUINE NEW - 11588723

R$ 36.29

eBay Parafuso multiuso genuíno GM (QUANTIDADE 1) 11515767
Parafuso multiuso genuíno GM (QUANTIDADE 1) 11515767

R$ 36.66

eBay Parafuso GM 11515767 NOVO NA CAIXA
Parafuso GM 11515767 NOVO NA CAIXA

R$ 37.03

eBay New Genuine OEM Lot of 5 GM 11514766 Engine Oil Cooler Pipe Bolts
New Genuine OEM Lot of 5 GM 11514766 Engine Oil Cooler Pipe Bolts

R$ 37.08

eBay Motor de suspensão Vauxhall Omega B Corsa D 1x parafuso M8 parafuso sextavado genuíno 11100041
Motor de suspensão Vauxhall Omega B Corsa D 1x parafuso M8 parafuso sextavado genuíno 11100041

R$ 37.36

eBay GM ACDelco Original 24211635 Manual Shift Bolt General Motors Transmission New
GM ACDelco Original 24211635 Manual Shift Bolt General Motors Transmission New

R$ 38.07

eBay PEÇA ORIGINAL NOS GM 22527475 GM NOS
PEÇA ORIGINAL NOS GM 22527475 GM NOS

R$ 40.65

eBay GM 11609410 25MM UHL PARAFUSOS LATERAIS TAMPA PRINCIPAL TERNOS ALLOYTEC 4 EXIGIDOS
GM 11609410 25MM UHL PARAFUSOS LATERAIS TAMPA PRINCIPAL TERNOS ALLOYTEC 4 EXIGIDOS

R$ 41.08

AliExpress 6t30 6t30e 6t45 6t40 6t45e embreagem de transmissão automática 3-5 anel de retenção de embreagem reversa anel de pressão 24253298 24230752
6t30 6t30e 6t45 6t40 6t45e embreagem de transmissão automática 3-5 anel de retenção de embreagem reversa anel de pressão 24253298 24230752

R$ 41.89

Você também pode se interessar...
Mercado Livre Parafuso Chevrolet Cobalt Lt 12/20
Parafuso Chevrolet Cobalt Lt 12/20

R$ 20.63

Mercado Livre Conector Do Tubo Elemento De Óleo Radiador Tracker 15226661
Conector Do Tubo Elemento De Óleo Radiador Tracker 15226661

R$ 132.62

Mercado Livre Retentor Tulipa Lado Esquerdo Direito Gm 24230715 24230682
Retentor Tulipa Lado Esquerdo Direito Gm 24230715 24230682

R$ 74.46

Mercado Livre Placa Espaçador Gm 24267597
Placa Espaçador Gm 24267597

R$ 214.51

Mercado Livre Porca Ld Gm 93218743
Porca Ld Gm 93218743

R$ 3.29

Mercado Livre Porca Da Suspensão Gm 93251996
Porca Da Suspensão Gm 93251996

R$ 6.15

Mercado Livre Porca Aco Chevrolet Omega Nova Original 93251996
Porca Aco Chevrolet Omega Nova Original 93251996

R$ 17.17

Mercado Livre Parafuso Captiva Sport 3.6 Awd 08/11 Gm 11588714
Parafuso Captiva Sport 3.6 Awd 08/11 Gm 11588714

R$ 18.62

Mercado Livre Selo Bujao Cambio Astra Corsa Cobalt Onix Spin 90470781 Orig
Selo Bujao Cambio Astra Corsa Cobalt Onix Spin 90470781 Orig

R$ 19.89

Mercado Livre Retentor Haste Seletora Cambio 6t30 24256576
Retentor Haste Seletora Cambio 6t30 24256576

R$ 31.41

Mercado Livre Selo Sensor Velocidade Câmbio Astra,.. Original 90470781
Selo Sensor Velocidade Câmbio Astra,.. Original 90470781

R$ 34.00

AliExpress Original e novo sensor de transmissão automática 6t40 6t40e 24243351 para transmissão chevrolet buick gm 6t40 6t40e
Original e novo sensor de transmissão automática 6t40 6t40e 24243351 para transmissão chevrolet buick gm 6t40 6t40e

R$ 229.99

eBay Parafuso multiuso genuíno GM M10x1.5x35 11515767
Parafuso multiuso genuíno GM M10x1.5x35 11515767

R$ 5.24

eBay Parafuso de partida genuíno GM 11048336
Parafuso de partida genuíno GM 11048336

R$ 5.24

eBay Parafuso OE 11515767 -GM
Parafuso OE 11515767 -GM

R$ 5.30

eBay PARAFUSO VAUXHALL - GENUÍNO NOVO - 11048336
PARAFUSO VAUXHALL - GENUÍNO NOVO - 11048336

R$ 7.23

eBay Parafuso de suporte trans genuíno GM OEM 11515767
Parafuso de suporte trans genuíno GM OEM 11515767

R$ 15.52

eBay Bolt/Screw-A/C Cmpr & Cndsr Hose Clip 94012127 for GM Holden
Bolt/Screw-A/C Cmpr & Cndsr Hose Clip 94012127 for GM Holden

R$ 16.87

eBay OE GM 11514766 Engine Oil Cooler Pipe Clamp Bolt
OE GM 11514766 Engine Oil Cooler Pipe Clamp Bolt

R$ 18.54

eBay GM OEM 08-24 Canyon EngineTransaxle entrada de ar-limpador de ar parafuso assy 11519507
GM OEM 08-24 Canyon EngineTransaxle entrada de ar-limpador de ar parafuso assy 11519507

R$ 19.28

eBay Parafusos de montagem de estoque para lanterna traseira Corvette 1991-1996 (2) GM 22527475
Parafusos de montagem de estoque para lanterna traseira Corvette 1991-1996 (2) GM 22527475

R$ 21.62

eBay Parafuso multiuso genuíno GM M6x1x38 11519507
Parafuso multiuso genuíno GM M6x1x38 11519507

R$ 23.02

eBay Plugue de furo multiuso ACDelco genuíno 8654382
Plugue de furo multiuso ACDelco genuíno 8654382

R$ 24.45

eBay Parafuso de tampa de rolamento principal do virabrequim do motor GM OEM 11589000
Parafuso de tampa de rolamento principal do virabrequim do motor GM OEM 11589000

R$ 25.92

eBay NOS GM OEM Stabilizer Sway Bar-Front-Stabilizer Suspension Bolt #11515767 Qty.1
NOS GM OEM Stabilizer Sway Bar-Front-Stabilizer Suspension Bolt #11515767 Qty.1

R$ 26.43

eBay Parafuso de suporte de partida GM OEM 11588739
Parafuso de suporte de partida GM OEM 11588739

R$ 27.07

eBay Genuine GM M8x1.25x50 Multi-Purpose Bolt 11589000
Genuine GM M8x1.25x50 Multi-Purpose Bolt 11589000

R$ 27.74

eBay Genuine GM M8x1.25x25 Multi-Purpose Bolt 11609410
Genuine GM M8x1.25x25 Multi-Purpose Bolt 11609410

R$ 29.34

eBay Parafuso multiuso GM M8x1.25x50 genuíno 11589000
Parafuso multiuso GM M8x1.25x50 genuíno 11589000

R$ 29.82

eBay Parafuso multiuso GM M8x1.25x25 genuíno 11609410
Parafuso multiuso GM M8x1.25x25 genuíno 11609410

R$ 29.88

eBay 24211635 - PARAFUSO - General Motors
24211635 - PARAFUSO - General Motors

R$ 30.13

eBay Parafuso de tampa de rolamento principal do virabrequim do motor original GM 11589000
Parafuso de tampa de rolamento principal do virabrequim do motor original GM 11589000

R$ 30.79

eBay Parafusos de montagem de fábrica para carcaça de lanterna traseira Corvette 1991-1996 (2) GM 22527475
Parafusos de montagem de fábrica para carcaça de lanterna traseira Corvette 1991-1996 (2) GM 22527475

R$ 32.46

eBay GENUÍNO VAUXHALL MULTI MODELO E MUITOS USOS M8 x 25mm HD PARAFUSO DE CABEÇA SEXTAVADA 11588723
GENUÍNO VAUXHALL MULTI MODELO E MUITOS USOS M8 x 25mm HD PARAFUSO DE CABEÇA SEXTAVADA 11588723

R$ 35.57

eBay VAUXHALL HEX HEAD SCREW - GENUINE NEW - 11588723
VAUXHALL HEX HEAD SCREW - GENUINE NEW - 11588723

R$ 36.29

eBay Parafuso multiuso genuíno GM (QUANTIDADE 1) 11515767
Parafuso multiuso genuíno GM (QUANTIDADE 1) 11515767

R$ 36.66

eBay Parafuso GM 11515767 NOVO NA CAIXA
Parafuso GM 11515767 NOVO NA CAIXA

R$ 37.03

eBay New Genuine OEM Lot of 5 GM 11514766 Engine Oil Cooler Pipe Bolts
New Genuine OEM Lot of 5 GM 11514766 Engine Oil Cooler Pipe Bolts

R$ 37.08

eBay Motor de suspensão Vauxhall Omega B Corsa D 1x parafuso M8 parafuso sextavado genuíno 11100041
Motor de suspensão Vauxhall Omega B Corsa D 1x parafuso M8 parafuso sextavado genuíno 11100041

R$ 37.36

eBay GM ACDelco Original 24211635 Manual Shift Bolt General Motors Transmission New
GM ACDelco Original 24211635 Manual Shift Bolt General Motors Transmission New

R$ 38.07

eBay PEÇA ORIGINAL NOS GM 22527475 GM NOS
PEÇA ORIGINAL NOS GM 22527475 GM NOS

R$ 40.65

eBay GM 11609410 25MM UHL PARAFUSOS LATERAIS TAMPA PRINCIPAL TERNOS ALLOYTEC 4 EXIGIDOS
GM 11609410 25MM UHL PARAFUSOS LATERAIS TAMPA PRINCIPAL TERNOS ALLOYTEC 4 EXIGIDOS

R$ 41.08

AliExpress 6t30 6t30e 6t45 6t40 6t45e embreagem de transmissão automática 3-5 anel de retenção de embreagem reversa anel de pressão 24253298 24230752
6t30 6t30e 6t45 6t40 6t45e embreagem de transmissão automática 3-5 anel de retenção de embreagem reversa anel de pressão 24253298 24230752

R$ 41.89

Tem uma sugestão?

Clique e envie sua ideia

Termos de Uso e Aviso Legal

Este site é totalmente independente e não possui qualquer vínculo, associação ou patrocínio da Chevrolet, da General Motors ou de suas subsidiárias, marcas ou representantes. Todas as menções a nomes, marcas e códigos de peças são exclusivamente informativas.

As informações disponibilizadas têm caráter meramente informativo e podem conter erros, omissões ou imprecisões. Não garantimos a exatidão, completude ou atualidade dos dados.

Este site não vende peças nem realiza intermediação comercial. Os links e redirecionamentos exibidos servem apenas para consulta de preços em sites de terceiros (marketplaces, lojas ou fornecedores independentes).

Qualquer compra realizada a partir desses links é de inteira responsabilidade do usuário e do vendedor/fornecedor escolhido. Não nos responsabilizamos por negociações, pagamentos, prazos de entrega, qualidade, garantias, trocas, devoluções, reembolsos, divergências ou quaisquer prejuízos decorrentes de transações com terceiros.

O uso deste site é de responsabilidade exclusiva do usuário. Em nenhuma hipótese seremos responsáveis por danos diretos, indiretos, incidentais, consequenciais ou punitivos decorrentes do uso das informações aqui apresentadas ou de transações realizadas em sites externos.

Estamos Ouvindo Você!
Envie suas Sugestões, Reclamações ou Dúvidas