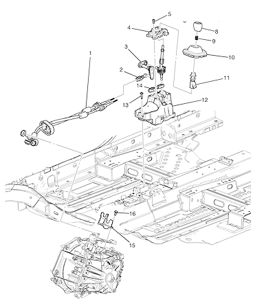
Selecione uma seção do grupo 'Transmissão manual 6 marchas' e encontre rapidamente códigos, descrições e referências para manutenção ou restauração para Cruze Hatch 2012/2016.