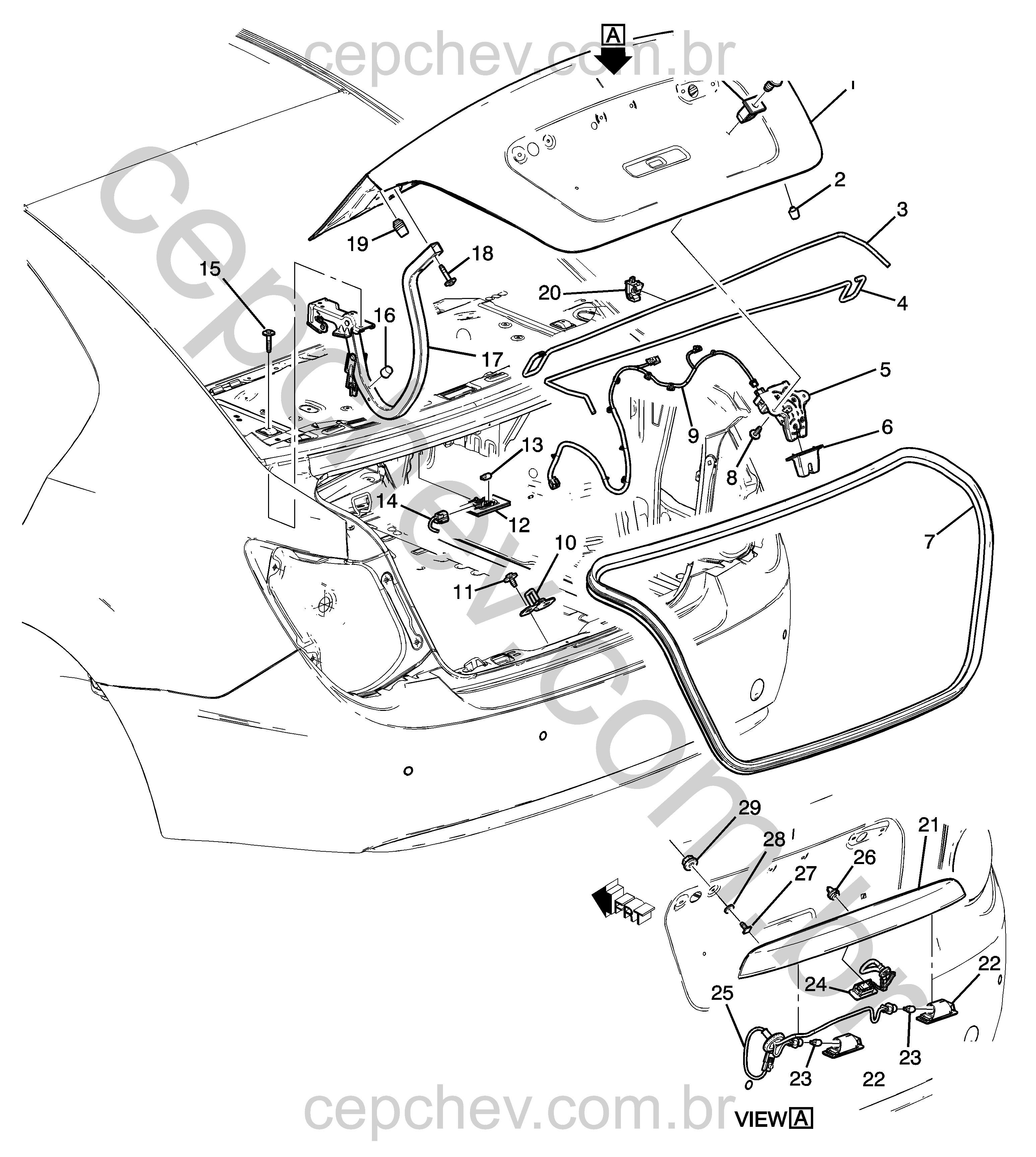
Explore o catálogo detalhado de peças para Sonic 2012/2014 - Carroceria traseira e teto - Peças do compartimento traseiro (2014) com tampa, trava, luz e fiação elétrica. Selecione um item abaixo para visualizar códigos de referência e especificações completas.

Nº | Ano | Descrição | Nº da Peça | Detalhes |
---|---|---|---|---|
1 | 2013/2014 | TAMPA do compartimento traseiro | ||
3 | 2013/2014 | HASTE da dobradiça da tampa do compartimento traseiro L... |
+3 números
|
|
4 | 2013/2014 | HASTE da dobradiça da tampa do compartimento traseiro L... |
+3 números
|
R$ 152 1 ofertas* |
5 | 2014/2014 | TRAVA da porta do compartimento traseiro |
+1 número
|
|
6 | 2013/2014 | TAMPA da trava do compartimento traseiro |
+2 números
|
|
7 | 2013/2014 | BORRACHA de vedação da porta do compartimento traseiro |
+2 números
|
|
8 | 2013/2014 | PARAFUSO da trava da tampa do compartimento traseiro |
+46 números
|
R$ 5 10 ofertas* |
8 | 2013/2014 | PARAFUSO da trava da tampa do compartimento traseiro |
+1 número
|
|
9 | 2014/2014 | CHICOTE de fios da fiação do compartimento traseiro | ||
10 | 2013/2014 | BATENTE da trava da tampa do compartimento traseiro |
+1 número
|
|
11 | 2013/2014 | PARAFUSO do batente da tampa do compartimento traseiro | ||
12 | 2014/2014 | LUZ de cortesia do compartimento traseiro |
+1 número
|
R$ 16 20 ofertas* |
13 | 2013/2014 | LÂMPADA da luz do compartimento de carga |
+1 número
|
|
14 | 2014/2014 | CHICOTE de fios da carroceria | ||
15 | 2014/2014 | PARAFUSO da dobradiça da tampa do compartimento traseir... |
+3 números
|
|
16 | 2013/2014 | BATENTE da dobradiça da tampa do compartimento traseiro |
+3 números
|
|
17 | 2013/2014 | DOBRADIÇA da tampa do compartimento traseiro LE |
+3 números
|
|
17 | 2013/2014 | DOBRADIÇA da tampa do compartimento traseiro LD |
+2 números
|
|
18 | 2013/2014 | PARAFUSO da dobradiça da tampa do compartimento traseir... |
+1 número
|
|
19 | 2013/2014 | BATENTE da tampa do compartimento traseiro |
+3 números
|
|
20 | 2013/2014 | RETENTOR da mola da dobradiça da tampa do compartimento... | ||
21 | 2013/2014 | MOLDURA da tampa do compartimento traseiro |
+8 números
|
|
21 | 2013/2014 | MOLDURA da tampa do compartimento traseiro |
+3 números
|
|
22 | 2014/2014 | LUZ da placa de licença traseira |
+1 número
|
|
24 | 2013/2014 | INTERRUPTOR de liberação da tampa do porta-malas |
+1 número
|
|
25 | 2014/2014 | CHICOTE de fios extensão da fiação da luz da placa de l... |
+1 número
|
|
25 | 2014/2014 | CHICOTE de fios extensão da fiação da luz da placa de l... |
+1 número
|
|
25 | 2014/2014 | CHICOTE de fios extensão da fiação da luz da placa de l... |
+1 número
|
|
28 | 2012/2014 | VEDAÇÃO do aplique lateral da tampa do compartimento tr... | ||
29 | 2013/2014 | PORCA da alça externa da tampa do compartimento traseir... |
+447 números
|
R$ 6 37 ofertas* |
30 | 2014/2014 | PORCA da placa traseira | R$ 3 10 ofertas* | |
31 | 2013/2014 | PARAFUSO da placa de licença |
+9 números
|
Códigos:
95104204 95929848 95474643 95929859 96895432 95929849 95474644 95929860 96895433 13501988 13513995 13509528 13502507 13501990 95071299 95027412 95939732 11609341 11518446 10131237 21094240 10109094 10274356 10263988 11517234 11517037 11519300 11611744 09442472 9442472 20618428 11609665 20385875 11517230 11546855 11588989 20420115 11610510 11546868 11569711 11519497 15006532 11588851 11570654 11589117 11561448 88944233 15060562 11610524 15703799 10215577 15686142 15668524 11588852 88944232 15060561 YQ00109780 11518162 15958043 11609952 11518531 5480764 05480764 YQ00109480 11570218 11518617 95240328 13321093 13239183 11609532 13503059 YR00714580 13500832 YQ00151280 11519383 21999767 11570136 11610124 95476239 96185310 9050749 83418SG30030 95472694 95063108 95076930 95458792 95458793 95080709 95063109 11570301 15744933 95229299 96169594 9050752 96207853 96379720 95103124 95022646 95273758 95051337 95940226 95273739 95940202 95103057 95273639 95103126 95940201 95493085 95051306 13502178 42565605 96940890 95393176 95929868 95983587 11514516 94012038 94012043 11503747 15188005 94009471 0911801060 11086223 0911501060 97144875 97133350 0911802060 0911502060 03530297 30011119 90260997 11609716 11561645 11093881 11518905 11086222 93164248 11518173 11517789 11086221 05480768 05480760 24505611 94853239 94853676 96051965 96059552 96068064 30008626 11086940 24504177 96058047 94279203 94023890 8110938810 11096302 93299171 11508600 11096301 93317262 11095001 11026216 94502072 11503782 15633949 96051052 11503800 12500393 24570573 30001009 94130057 11517484 96064351 11516423 11509024 12397879 11519806 11517518 11026218 11026217 11081271 5341458 11028183 96059884 08635546 96061667 30001010 11561025 11517517 11508267 94008819 94009498 94001675 14002805 11503849 11516380 11516123 11508247 11504833 25097681 11092422 11507087 11503867 11509417 11503880 11026211 11068795 2000126 11101672 11101671 11093961 11514244 24501329 52289663 11505117 96051034 96056700 96055209 24503644 96061245 15684184 11515482 12558020 11508322 11513754 11517483 11516398 11508805 10205042 92147290 11097794 96051051 96051066 96053524 11505119 94009499 11092421 02000116 11504334 94002327 94002315 94002314 94002106 94002028 94001753 94001726 94001333 92015857 94001510 96059477 11514754 30001574 94001196 94001505 11514210 11513824 94001756 96065534 94001826 96064503 96063613 11513804 11068793 93294692 11097971 11100781 90357491 11589084 11588712 11519964 11518062 23912544 0501406200 94001754 94463739 94012506 9019106200 1099804930 93218710 93336337 09439510 11514753 94008817 94009501 94008900 93376828 93298963 90451442 14001194 14078823 11514269 11509759 11505132 11503789 11503783 10081953 94251399 YR00052080 94012243 94012118 11561599 8115887120 94009635 11562130 19406216 11088871 93298970 93316847 91176674 00360164 94001530 94001503 14069844 03856672 94001516 94001507 09421423 94009465 97720013 09420972 17060653 15524721 94001674 11503964 17071293 96053157 96051202 96051200 94005590 94003413 17060710 97720014 02010053 94002105 02010060 94122769 94002026 02000125 11027773 94027534 11500413 11513617 11507052 11503854 94001056 94002313 11039281 94008876 94001539 94001573 94010418 94012088 94012123 94001356 94006276 94012342 94009720 91144750 10456544 93363484 94010872 0286506200 94005050 97011285 11079444 09442895 94046774 94008815 94279346 00120392 11561724 94358688 11509446 97086823 11588711 94012117 9019106160 0500806160 94011756 94009631 94011149 09420751 03770309 00180018 09442916 09440228 94009579 94044194 94002024 94002104 94002023 94002103 94002312 94001752 94001956 94469897 94004540 94009488 94012087 94001538 94411199 94003409 09422770 04508614 01368497 94043554 96054285 09437694 94009384 96051232 96051231 11588911 11504634 30011204 11504074 11513697 08675639 97086822 4970868230 8970868230 97086824 11504091 11508140 11503780 11507107 11509586 14063759 98014141 11514149 10004723 97329165 11508885 94009496 11093973 11096901 01219901 11503946 20242025 14084306 11508886 10004721 94005058 10042901 94005036 13330337 52368558 94502160 30560145 94012115 11504800 14075784 10031157 11588710 94279201 11518061 97062791 97080972 94001534 94167317 94101246 0280506450 94012204 0280806120 94011757 0280206120 0280106120 97807451 03927726 09439930 94001606 9019106120 94009328 97206407 15614702 11093971 55351943 55564499 90213515 55555901 90570912 92061762 13106542 R1620122 55559169 24410080 24459702 0286506160 0286806160 94279200 94001751 94107518 52288650 93216442 24454610 96057163 10182329 96059883 11087874 96057624 96061794 10044260 96059875 10040294 96066205 22594590 11513967 11516422 11516061 11087871 96061833 96061834 11503864 9019006120 91120577 97148539 97146370 11519970 03747390 00469505 9439930 00460578 11011616 94009343 09160506 91124964 91150335 91120104 91137812 9091605060 94015482 11505347 15982750 96059844 11503877 11096351 11101391 30563133 4502076 4770038 30552778 30552461 11102102 90451441 1238358 94700275 94167314 11588991 11518066 94009643 15603668 55569401 93232413 4227203 93271975 15208780 11102101 93295333 11097411 55581773 94502083 11046494 11048602 8110974110 25704358 09423101 11518178 9423101 11515326 9423636 09423636 09414403 30002598 03794162 00273450