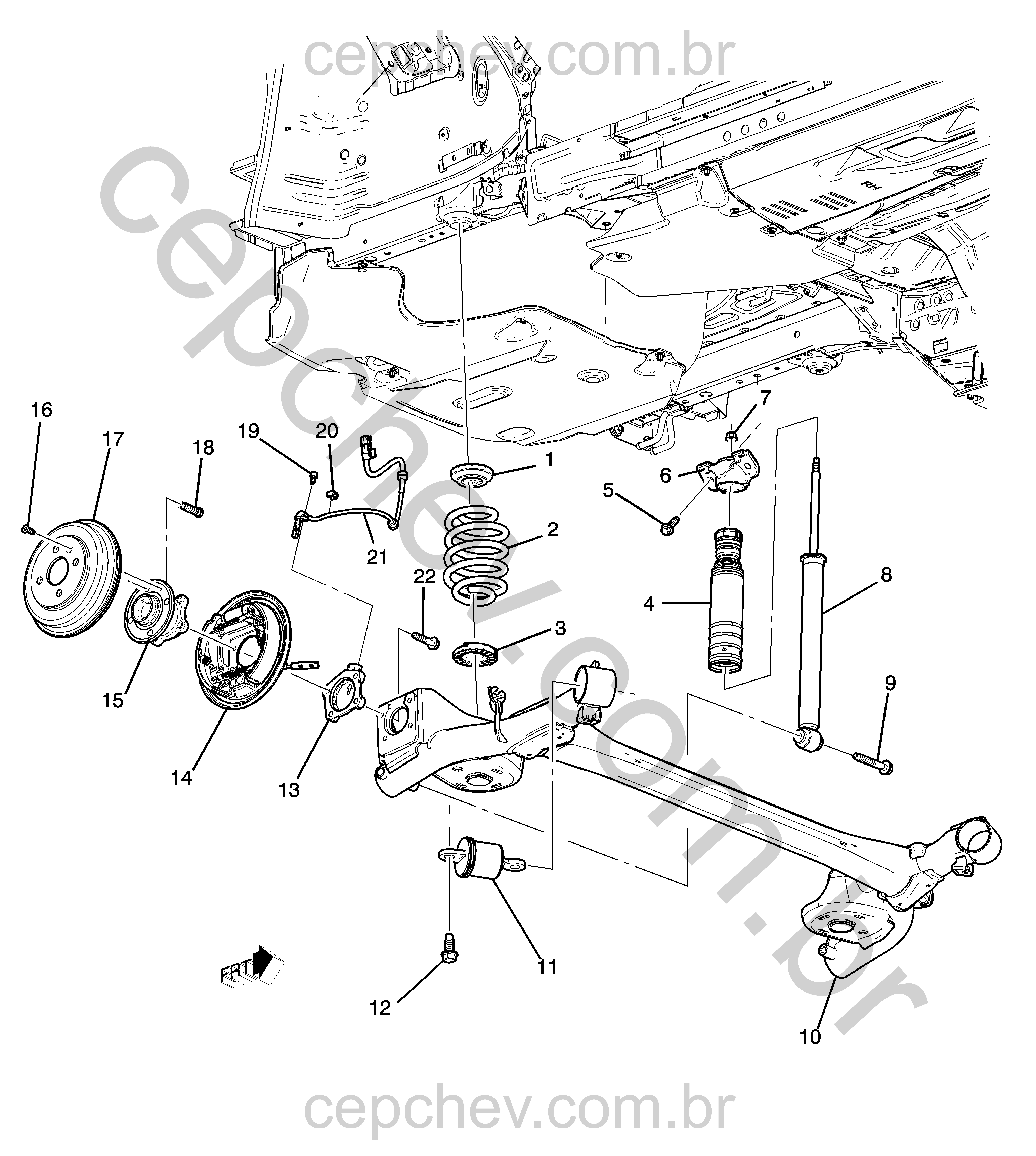
Explore o catálogo detalhado de peças para Sonic 2012/2014 - Estrutura, para-choque, suspensão traseira - Suspensão traseira com amortecedor, rolamento, eixo e freio traseiro. Selecione um item abaixo para visualizar códigos de referência e especificações completas.

Nº | Ano | Descrição | Nº da Peça | Detalhes |
---|---|---|---|---|
1 | 2012/2014 | ISOLAMENTO da mola superior traseira | ||
2 | 2012/2014 | MOLA traseira | ||
3 | 2012/2012 | ISOLAMENTO da mola inferior traseira |
+1 número
|
|
3 | 2013/2014 | ISOLAMENTO da mola inferior traseira |
+1 número
|
|
4 | 2013/2014 | PARA-CHOQUE superior do amortecedor traseiro |
+2 números
|
|
5 | 2012/2014 | PARAFUSO do conjunto do amortecedor traseiro |
+25 números
|
R$ 5 19 ofertas* |
6 | 2012/2012 | FIXAÇÃO superior do amortecedor traseiro LD |
+4 números
|
R$ 78 9 ofertas* |
6 | 2012/2014 | FIXAÇÃO superior do amortecedor traseiro LD |
+4 números
|
R$ 78 9 ofertas* |
6 | 2012/2014 | FIXAÇÃO superior do amortecedor traseiro LE |
+4 números
|
R$ 105 3 ofertas* |
7 | 2012/2013 | PORCA do amortecedor traseiro superior |
+24 números
|
R$ 2 11 ofertas* |
7 | 2014/2014 | PORCA do amortecedor traseiro superior |
+24 números
|
R$ 2 11 ofertas* |
7 | 2014/2014 | PORCA do amortecedor traseiro superior |
+24 números
|
R$ 2 11 ofertas* |
8 | 2012/2012 | AMORTECEDOR traseiro direito |
+3 números
|
|
8 | 2013/2014 | AMORTECEDOR traseiro direito | ||
9 | 2012/2012 | PARAFUSO do amortecedor traseiro |
+2 números
|
|
9 | 2012/2012 | PARAFUSO do amortecedor traseiro |
+2 números
|
|
9 | 2013/2014 | PARAFUSO do amortecedor traseiro no eixo traseiro |
+2 números
|
|
10 | 2012/2012 | EIXO traseiro |
+10 números
|
|
10 | 2012/2012 | EIXO traseiro |
+10 números
|
|
10 | 2013/2013 | EIXO traseiro |
+10 números
|
|
10 | 2014/2014 | EIXO traseiro |
+10 números
|
|
10 | 2014/2014 | EIXO traseiro |
+10 números
|
|
10 | 2014/2014 | EIXO traseiro |
+10 números
|
|
10 | 2014/2014 | EIXO traseiro |
+10 números
|
|
11 | 2012/2014 | BUCHA do eixo traseiro | ||
12 | 2012/2014 | PARAFUSO do eixo traseiro M14 x 2 x 41,58 mm | ||
13 | 2012/2012 | PLACA de apoio do freio traseiro LE |
+1 número
|
|
13 | 2012/2014 | PLACA de apoio do freio traseiro espaçador do tambor LE |
+1 número
|
|
13 | 2012/2014 | PLACA de apoio do freio traseiro espaçador do tambor LD |
+1 número
|
|
14 | 2012/2014 | FREIO traseiro | ||
15 | 2012/2014 | ROLAMENTO da roda traseira |
+1 número
|
|
16 | 2012/2013 | PARAFUSO do rotor do freio traseiro |
+9 números
|
|
16 | 2014/2014 | PARAFUSO do rotor do freio traseiro |
+9 números
|
|
16 | 2014/2014 | PARAFUSO do rotor do freio traseiro |
+9 números
|
|
17 | 2013/2014 | TAMBOR do freio traseiro |
+1 número
|
|
18 | 2012/2012 | PRISIONEIRO do rolamento da roda dianteira |
+15 números
|
R$ 12 15 ofertas* |
18 | 2013/2013 | PRISIONEIRO do rolamento da roda dianteira |
+15 números
|
R$ 12 15 ofertas* |
18 | 2013/2013 | PRISIONEIRO do rolamento da roda dianteira LE |
+15 números
|
R$ 12 15 ofertas* |
18 | 2014/2014 | PRISIONEIRO do rolamento da roda dianteira LE |
+15 números
|
R$ 12 15 ofertas* |
18 | 2014/2014 | PRISIONEIRO do rolamento da roda dianteira LE |
+15 números
|
R$ 12 15 ofertas* |
19 | 2012/2013 | PARAFUSO do sensor de velocidade da roda dianteira | ||
19 | 2014/2014 | PARAFUSO do sensor de velocidade da roda dianteira | ||
19 | 2014/2014 | PARAFUSO do sensor de velocidade da roda dianteira | ||
20 | 2012/2014 | GRAMPO da fiação do sensor de velocidade da roda | ||
21 | 2012/2012 | SENSOR de velocidade da roda traseira LE |
+2 números
|
R$ 29 28 ofertas* |
21 | 2012/2012 | SENSOR de velocidade da roda traseira LE |
+2 números
|
R$ 29 28 ofertas* |
21 | 2012/2012 | SENSOR de velocidade da roda LD |
+2 números
|
|
21 | 2012/2012 | SENSOR de velocidade da roda LD |
+2 números
|
|
21 | 2012/2012 | SENSOR de velocidade da roda traseira LE |
+2 números
|
R$ 29 28 ofertas* |
21 | 2012/2012 | SENSOR de velocidade da roda LD |
+2 números
|
|
21 | 2013/2013 | SENSOR de velocidade da roda traseira LD |
+2 números
|
|
21 | 2013/2014 | SENSOR de velocidade da roda traseira LE |
+2 números
|
R$ 29 28 ofertas* |
22 | 2012/2012 | PARAFUSO da caixa da roda dianteira |
+2 números
|
|
22 | 2013/2013 | PARAFUSO do freio traseiro |
+2 números
|
|
22 | 2014/2014 | PARAFUSO da caixa da roda dianteira |
+2 números
|
|
22 | 2014/2014 | PARAFUSO da caixa da roda dianteira |
+2 números
|
Códigos:
96853902 95216094 95933271 96979033 95943130 95020229 52041048 11588740 11588900 11518626 97214839 11588739 11519183 11589335 11516349 11518625 11516501 11516294 11085834 11516549 92290706 8115887390 11515767 YQ00689380 88965824 94012288 11546403 25624381 12557011 11515826 11508556 94009737 94005046 52082244 96853910 52041908 52051691 52049243 52082243 52041907 52051692 52049242 96853909 11516077 11515604 11502812 88954114 16792001 11502717 11503643 24504100 15259227 15679745 11517996 10255857 14000393 97103329 11517071 11609847 11508710 20123271 11515743 11516207 19168821 19168819 16792011 11518428 3543284 95077491 95493855 95965593 95965594 95297989 11611263 22659539 11571089 95135968 95494126 95182618 95264305 94509627 95368778 95910102 95395920 95943147 95234019 95192601 11589351 95409434 95490303 95490304 95409435 13500590 13593156 11570339 18061049 13331828 13331829 22781059 11515720 22812745 22812744 22781058 YR00074280 52114916 96853514 09595179 11611063 09599302 09595178 11588655 09591978 10033625 09591973 09590476 09594507 15158306 09590475 21011114 11588563 94771548 9591978 13195934 95164925 95231662 94544450 95231660 95164926 94544451 11588743 11588765 YR00123080