Catálogo CepChev
  1. Início
  2. Sonic 2012/2014
  3. Motor 4 cilindros

Selecione uma seção do grupo 'Motor 4 cilindros' e encontre rapidamente códigos, descrições e referências para manutenção ou restauração para Sonic 2012/2014.

Bloco de cilindros e peças internas do motor 1.6L L4 (LFJ)

Imagem de Bloco de cilindros e peças internas do motor 1.6L L4 (LFJ)

Bomba de óleo, cárter e peças relacionadas do motor 1.6L L4 (LFJ)

Imagem de Bomba de óleo, cárter e peças relacionadas do motor 1.6L L4 (LFJ)

Cabeçote e peças relacionadas ao motor 1.6L L4 (LFJ) com eixo-comando e válvulas

Imagem de Cabeçote e peças relacionadas ao motor 1.6L L4 (LFJ) com eixo-comando e válvulas

Coletor de admissão e escapamento com peças e componentes do sistema de combustível

Imagem de Coletor de admissão e escapamento com peças e componentes do sistema de combustível

Conjunto motor 1.6L gasolina (98 cilindradas)

Imagem de Conjunto motor 1.6L gasolina (98 cilindradas)

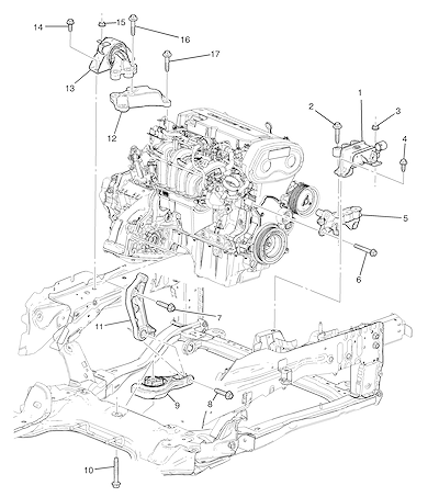
Fixação do motor 1.6 e transmissão automática MH9 (2013–2014)

Imagem de Fixação do motor 1.6 e transmissão automática MH9 (2013–2014)

Fixação do motor 1.6 e transmissão manual MXP (2013–2014)

Imagem de Fixação do motor 1.6 e transmissão manual MXP (2013–2014)

Fixação do motor e transmissão automática (2012)

Imagem de Fixação do motor e transmissão automática (2012)

Fixação do motor e transmissão manual MXP (2012) com componentes de embreagem e volante

Imagem de Fixação do motor e transmissão manual MXP (2012) com componentes de embreagem e volante

Montagem motor 1.6 e transmissão automática MH9 (2012)

Imagem de Montagem motor 1.6 e transmissão automática MH9 (2012)

Montagem motor 1.6 e transmissão manual MXP (2012) com suportes e coxins

Imagem de Montagem motor 1.6 e transmissão manual MXP (2012) com suportes e coxins

Pedal e cilindros da embreagem (transmissão manual MXP) (2012)

Imagem de Pedal e cilindros da embreagem (transmissão manual MXP) (2012)

Proteção e tampas do coletor de admissão 1.6 (LFJ)

Imagem de Proteção e tampas do coletor de admissão 1.6 (LFJ)

Tampa dianteira, arrefecimento e sistema de óleo motor 1.6L L4 (LFJ)

Imagem de Tampa dianteira, arrefecimento e sistema de óleo motor 1.6L L4 (LFJ)
Você também pode se interessar...
Mercado Livre Parafuso M6x14 Gm 11085861
Parafuso M6x14 Gm 11085861

R$ 3.31

Mercado Livre Parafuso Gm 11097792
Parafuso Gm 11097792

R$ 2.56

Mercado Livre Parafuso Chevrolet Cobalt Lt 12/20
Parafuso Chevrolet Cobalt Lt 12/20

R$ 20.63

Mercado Livre Parafuso Gm 11085861
Parafuso Gm 11085861

R$ 10.33

Mercado Livre Parafuso Fixação Emblema Tampa Valv Astra 16v 11097792 Gm Un
Parafuso Fixação Emblema Tampa Valv Astra 16v 11097792 Gm Un

R$ 19.00

Mercado Livre Braçadeira Mangueira Aquec Aceler Gm 90469888
Braçadeira Mangueira Aquec Aceler Gm 90469888

R$ 84.49

Mercado Livre Parafuso Bujão Cárter Motor Corsa Celta Monza Kadett Tigra
Parafuso Bujão Cárter Motor Corsa Celta Monza Kadett Tigra

R$ 19.52

Mercado Livre Kit Parafuso Motor Tracker 2014/2016
Kit Parafuso Motor Tracker 2014/2016

R$ 217.11

Mercado Livre Porca Ld Gm 93218743
Porca Ld Gm 93218743

R$ 3.29

Mercado Livre Pino Gm 90351709
Pino Gm 90351709

R$ 4.18

Mercado Livre Porca Da Suspensão Gm 93251996
Porca Da Suspensão Gm 93251996

R$ 6.15

Mercado Livre Anel Vedador Atuador Embreagem Gm 94580546
Anel Vedador Atuador Embreagem Gm 94580546

R$ 6.63

Mercado Livre Selo Bloco Do Motor 34mm Gm 11056093
Selo Bloco Do Motor 34mm Gm 11056093

R$ 7.11

Mercado Livre Parafuso Cambio M10 5x35mm Spin Agile Onix Gm 11588739
Parafuso Cambio M10 5x35mm Spin Agile Onix Gm 11588739

R$ 9.21

Mercado Livre Anel Vedador Bujão Do Cárter Gm 90528145
Anel Vedador Bujão Do Cárter Gm 90528145

R$ 9.38

Shopee Selo Do Bloco Motor Onix Prisma Agile 11056093 Original GM
Selo Do Bloco Motor Onix Prisma Agile 11056093 Original GM

R$ 9.76

Mercado Livre Parafuso Do Cabeçote Ao Bloco Astra 16v Novo 11093781 Un
Parafuso Do Cabeçote Ao Bloco Astra 16v Novo 11093781 Un

R$ 10.26

Mercado Livre Selo Bloco Do Motor 34mm Gm 11056093 Prateado
Selo Bloco Do Motor 34mm Gm 11056093 Prateado

R$ 10.37

Mercado Livre Parafuso Barra Impact Tras Original Gm Sonic Prisma 11588739
Parafuso Barra Impact Tras Original Gm Sonic Prisma 11588739

R$ 10.97

Mercado Livre Parafuso Le Acessórios Chevrolet 11588739
Parafuso Le Acessórios Chevrolet 11588739

R$ 11.25

Mercado Livre Retentor Bujão Do Cárter Gm 11023582
Retentor Bujão Do Cárter Gm 11023582

R$ 11.42

Mercado Livre Retentor Bujão Do Cárter Gm 90528145
Retentor Bujão Do Cárter Gm 90528145

R$ 11.76

eBay Parafuso multiuso genuíno GM 11589276
Parafuso multiuso genuíno GM 11589276

R$ 5.26

eBay Parafuso de partida genuíno GM 11048336
Parafuso de partida genuíno GM 11048336

R$ 5.24

eBay Parafuso multiuso genuíno GM M10x1.5x35 11515767
Parafuso multiuso genuíno GM M10x1.5x35 11515767

R$ 5.24

eBay Parafuso OE 11515767 -GM
Parafuso OE 11515767 -GM

R$ 5.30

eBay 11516061 - BOLT - General Motors
11516061 - BOLT - General Motors

R$ 6.09

AliExpress Adaptador de carro válvula de desvio de óleo 55563957 fluxo de montagem peça unidirecional substituição para chevrolet aveo novo prático
Adaptador de carro válvula de desvio de óleo 55563957 fluxo de montagem peça unidirecional substituição para chevrolet aveo novo prático

R$ 6.46

AliExpress Tampa do enchimento de óleo do motor, ABS preto para Chevrolet Cruze 1.4L 1.8L 2008 2009 2010 2011 2012 2013 55566555 55580177
Tampa do enchimento de óleo do motor, ABS preto para Chevrolet Cruze 1.4L 1.8L 2008 2009 2010 2011 2012 2013 55566555 55580177

R$ 6.69

AliExpress Tampa da tampa do enchimento de óleo do motor BAOLUN ABS preto 55566555 55580177   Para Chevrolet Cruze 1.4L 1.8L 2008 2009 2010 2011 2012 2013
Tampa da tampa do enchimento de óleo do motor BAOLUN ABS preto 55566555 55580177 Para Chevrolet Cruze 1.4L 1.8L 2008 2009 2010 2011 2012 2013

R$ 6.89

eBay PARAFUSO VAUXHALL - GENUÍNO NOVO - 11048336
PARAFUSO VAUXHALL - GENUÍNO NOVO - 11048336

R$ 7.23

eBay PARAFUSOS AUTO-ROSCANTES VAUXHALL - GENUÍNO NOVO - 11097651
PARAFUSOS AUTO-ROSCANTES VAUXHALL - GENUÍNO NOVO - 11097651

R$ 7.23

AliExpress Sensor de temperatura do líquido refrigerante 55563530 55353807 55591401   SWS001 Para Chevrolet Malibu Cruze Sonic Astra 11-2014 Para Cadillac ATS
Sensor de temperatura do líquido refrigerante 55563530 55353807 55591401 SWS001 Para Chevrolet Malibu Cruze Sonic Astra 11-2014 Para Cadillac ATS

R$ 7.26

eBay VAUXHALL PRSS SELO SWTCH - GENUÍNO NOVO - 11023582
VAUXHALL PRSS SELO SWTCH - GENUÍNO NOVO - 11023582

R$ 7.26

AliExpress Oyote tampa de enchimento de óleo de motor, capa preta abs para chevrolet cruze 1.4l 1.8l 2008 2009 2010 2011 2012 2013 55566555 55580177
Oyote tampa de enchimento de óleo de motor, capa preta abs para chevrolet cruze 1.4l 1.8l 2008 2009 2010 2011 2012 2013 55566555 55580177

R$ 7.28

eBay PARAFUSO VAUXHALL - GENUÍNO NOVO - 11085864
PARAFUSO VAUXHALL - GENUÍNO NOVO - 11085864

R$ 7.32

AliExpress Válvula por passagem de óleo, Válvula unidirecional para Chevrolet Cruze, 1.6, 1.8, Epica 1.8, 55563957, 90530050, 55556227, 1 Pc
Válvula por passagem de óleo, Válvula unidirecional para Chevrolet Cruze, 1.6, 1.8, Epica 1.8, 55563957, 90530050, 55556227, 1 Pc

R$ 7.70

eBay PARAFUSO VAUXHALL - GENUÍNO NOVO - 11093971
PARAFUSO VAUXHALL - GENUÍNO NOVO - 11093971

R$ 8.10

AliExpress Fluxo de óleo One Way Passar válvula, Aveo, Cruze, Epica, Sonic, Trax, Opel, Vauxhall, Astra, 90530050, 55563957, 55556227, 1pc
Fluxo de óleo One Way Passar válvula, Aveo, Cruze, Epica, Sonic, Trax, Opel, Vauxhall, Astra, 90530050, 55563957, 55556227, 1pc

R$ 8.24

eBay PARAFUSO VAUXHALL SUSPENSN - GENUÍNO NOVO - 11589276
PARAFUSO VAUXHALL SUSPENSN - GENUÍNO NOVO - 11589276

R$ 8.68

AliExpress Novo bom sensor de temperatura do líquido refrigerante para chevrolet cruze sonic astra n°: 55563530 55353807 55591401 sws001
Novo bom sensor de temperatura do líquido refrigerante para chevrolet cruze sonic astra n°: 55563530 55353807 55591401 sws001

R$ 8.89

AliExpress Cotovelo plástico do tubo de controle da embreagem da caixa de engrenagens para Vauxhall para ASTRA para combo para CORSA 13105589   Peças automotivas
Cotovelo plástico do tubo de controle da embreagem da caixa de engrenagens para Vauxhall para ASTRA para combo para CORSA 13105589 Peças automotivas

R$ 8.91

AliExpress Cotovelo do tubo de controle da embreagem da caixa de velocidades 13105589   Para vauxhall para astra para combo para peças de motor corsa acessórios de carro
Cotovelo do tubo de controle da embreagem da caixa de velocidades 13105589 Para vauxhall para astra para combo para peças de motor corsa acessórios de carro

R$ 9.05

eBay Plugue multiuso genuíno ACDelco 94535679
Plugue multiuso genuíno ACDelco 94535679

R$ 9.05

eBay Braçadeira de mangueira Saab genuína para 2006 Saab 9-5 92151162-AF
Braçadeira de mangueira Saab genuína para 2006 Saab 9-5 92151162-AF

R$ 9.16

eBay PARAFUSO VAUXHALL - GENUÍNO NOVO - 11093893
PARAFUSO VAUXHALL - GENUÍNO NOVO - 11093893

R$ 9.58

eBay Parafuso multiuso genuíno ACDelco 11095512
Parafuso multiuso genuíno ACDelco 11095512

R$ 10.39

Você também pode se interessar...
Mercado Livre Parafuso M6x14 Gm 11085861
Parafuso M6x14 Gm 11085861

R$ 3.31

Mercado Livre Parafuso Gm 11097792
Parafuso Gm 11097792

R$ 2.56

Mercado Livre Parafuso Chevrolet Cobalt Lt 12/20
Parafuso Chevrolet Cobalt Lt 12/20

R$ 20.63

Mercado Livre Parafuso Gm 11085861
Parafuso Gm 11085861

R$ 10.33

Mercado Livre Parafuso Fixação Emblema Tampa Valv Astra 16v 11097792 Gm Un
Parafuso Fixação Emblema Tampa Valv Astra 16v 11097792 Gm Un

R$ 19.00

Mercado Livre Braçadeira Mangueira Aquec Aceler Gm 90469888
Braçadeira Mangueira Aquec Aceler Gm 90469888

R$ 84.49

Mercado Livre Parafuso Bujão Cárter Motor Corsa Celta Monza Kadett Tigra
Parafuso Bujão Cárter Motor Corsa Celta Monza Kadett Tigra

R$ 19.52

Mercado Livre Kit Parafuso Motor Tracker 2014/2016
Kit Parafuso Motor Tracker 2014/2016

R$ 217.11

Mercado Livre Porca Ld Gm 93218743
Porca Ld Gm 93218743

R$ 3.29

Mercado Livre Pino Gm 90351709
Pino Gm 90351709

R$ 4.18

Mercado Livre Porca Da Suspensão Gm 93251996
Porca Da Suspensão Gm 93251996

R$ 6.15

Mercado Livre Anel Vedador Atuador Embreagem Gm 94580546
Anel Vedador Atuador Embreagem Gm 94580546

R$ 6.63

Mercado Livre Selo Bloco Do Motor 34mm Gm 11056093
Selo Bloco Do Motor 34mm Gm 11056093

R$ 7.11

Mercado Livre Parafuso Cambio M10 5x35mm Spin Agile Onix Gm 11588739
Parafuso Cambio M10 5x35mm Spin Agile Onix Gm 11588739

R$ 9.21

Mercado Livre Anel Vedador Bujão Do Cárter Gm 90528145
Anel Vedador Bujão Do Cárter Gm 90528145

R$ 9.38

Shopee Selo Do Bloco Motor Onix Prisma Agile 11056093 Original GM
Selo Do Bloco Motor Onix Prisma Agile 11056093 Original GM

R$ 9.76

Mercado Livre Parafuso Do Cabeçote Ao Bloco Astra 16v Novo 11093781 Un
Parafuso Do Cabeçote Ao Bloco Astra 16v Novo 11093781 Un

R$ 10.26

Mercado Livre Selo Bloco Do Motor 34mm Gm 11056093 Prateado
Selo Bloco Do Motor 34mm Gm 11056093 Prateado

R$ 10.37

Mercado Livre Parafuso Barra Impact Tras Original Gm Sonic Prisma 11588739
Parafuso Barra Impact Tras Original Gm Sonic Prisma 11588739

R$ 10.97

Mercado Livre Parafuso Le Acessórios Chevrolet 11588739
Parafuso Le Acessórios Chevrolet 11588739

R$ 11.25

Mercado Livre Retentor Bujão Do Cárter Gm 11023582
Retentor Bujão Do Cárter Gm 11023582

R$ 11.42

Mercado Livre Retentor Bujão Do Cárter Gm 90528145
Retentor Bujão Do Cárter Gm 90528145

R$ 11.76

eBay Parafuso multiuso genuíno GM 11589276
Parafuso multiuso genuíno GM 11589276

R$ 5.26

eBay Parafuso de partida genuíno GM 11048336
Parafuso de partida genuíno GM 11048336

R$ 5.24

eBay Parafuso multiuso genuíno GM M10x1.5x35 11515767
Parafuso multiuso genuíno GM M10x1.5x35 11515767

R$ 5.24

eBay Parafuso OE 11515767 -GM
Parafuso OE 11515767 -GM

R$ 5.30

eBay 11516061 - BOLT - General Motors
11516061 - BOLT - General Motors

R$ 6.09

AliExpress Adaptador de carro válvula de desvio de óleo 55563957 fluxo de montagem peça unidirecional substituição para chevrolet aveo novo prático
Adaptador de carro válvula de desvio de óleo 55563957 fluxo de montagem peça unidirecional substituição para chevrolet aveo novo prático

R$ 6.46

AliExpress Tampa do enchimento de óleo do motor, ABS preto para Chevrolet Cruze 1.4L 1.8L 2008 2009 2010 2011 2012 2013 55566555 55580177
Tampa do enchimento de óleo do motor, ABS preto para Chevrolet Cruze 1.4L 1.8L 2008 2009 2010 2011 2012 2013 55566555 55580177

R$ 6.69

AliExpress Tampa da tampa do enchimento de óleo do motor BAOLUN ABS preto 55566555 55580177   Para Chevrolet Cruze 1.4L 1.8L 2008 2009 2010 2011 2012 2013
Tampa da tampa do enchimento de óleo do motor BAOLUN ABS preto 55566555 55580177 Para Chevrolet Cruze 1.4L 1.8L 2008 2009 2010 2011 2012 2013

R$ 6.89

eBay PARAFUSO VAUXHALL - GENUÍNO NOVO - 11048336
PARAFUSO VAUXHALL - GENUÍNO NOVO - 11048336

R$ 7.23

eBay PARAFUSOS AUTO-ROSCANTES VAUXHALL - GENUÍNO NOVO - 11097651
PARAFUSOS AUTO-ROSCANTES VAUXHALL - GENUÍNO NOVO - 11097651

R$ 7.23

AliExpress Sensor de temperatura do líquido refrigerante 55563530 55353807 55591401   SWS001 Para Chevrolet Malibu Cruze Sonic Astra 11-2014 Para Cadillac ATS
Sensor de temperatura do líquido refrigerante 55563530 55353807 55591401 SWS001 Para Chevrolet Malibu Cruze Sonic Astra 11-2014 Para Cadillac ATS

R$ 7.26

eBay VAUXHALL PRSS SELO SWTCH - GENUÍNO NOVO - 11023582
VAUXHALL PRSS SELO SWTCH - GENUÍNO NOVO - 11023582

R$ 7.26

AliExpress Oyote tampa de enchimento de óleo de motor, capa preta abs para chevrolet cruze 1.4l 1.8l 2008 2009 2010 2011 2012 2013 55566555 55580177
Oyote tampa de enchimento de óleo de motor, capa preta abs para chevrolet cruze 1.4l 1.8l 2008 2009 2010 2011 2012 2013 55566555 55580177

R$ 7.28

eBay PARAFUSO VAUXHALL - GENUÍNO NOVO - 11085864
PARAFUSO VAUXHALL - GENUÍNO NOVO - 11085864

R$ 7.32

AliExpress Válvula por passagem de óleo, Válvula unidirecional para Chevrolet Cruze, 1.6, 1.8, Epica 1.8, 55563957, 90530050, 55556227, 1 Pc
Válvula por passagem de óleo, Válvula unidirecional para Chevrolet Cruze, 1.6, 1.8, Epica 1.8, 55563957, 90530050, 55556227, 1 Pc

R$ 7.70

eBay PARAFUSO VAUXHALL - GENUÍNO NOVO - 11093971
PARAFUSO VAUXHALL - GENUÍNO NOVO - 11093971

R$ 8.10

AliExpress Fluxo de óleo One Way Passar válvula, Aveo, Cruze, Epica, Sonic, Trax, Opel, Vauxhall, Astra, 90530050, 55563957, 55556227, 1pc
Fluxo de óleo One Way Passar válvula, Aveo, Cruze, Epica, Sonic, Trax, Opel, Vauxhall, Astra, 90530050, 55563957, 55556227, 1pc

R$ 8.24

eBay PARAFUSO VAUXHALL SUSPENSN - GENUÍNO NOVO - 11589276
PARAFUSO VAUXHALL SUSPENSN - GENUÍNO NOVO - 11589276

R$ 8.68

AliExpress Novo bom sensor de temperatura do líquido refrigerante para chevrolet cruze sonic astra n°: 55563530 55353807 55591401 sws001
Novo bom sensor de temperatura do líquido refrigerante para chevrolet cruze sonic astra n°: 55563530 55353807 55591401 sws001

R$ 8.89

AliExpress Cotovelo plástico do tubo de controle da embreagem da caixa de engrenagens para Vauxhall para ASTRA para combo para CORSA 13105589   Peças automotivas
Cotovelo plástico do tubo de controle da embreagem da caixa de engrenagens para Vauxhall para ASTRA para combo para CORSA 13105589 Peças automotivas

R$ 8.91

AliExpress Cotovelo do tubo de controle da embreagem da caixa de velocidades 13105589   Para vauxhall para astra para combo para peças de motor corsa acessórios de carro
Cotovelo do tubo de controle da embreagem da caixa de velocidades 13105589 Para vauxhall para astra para combo para peças de motor corsa acessórios de carro

R$ 9.05

eBay Plugue multiuso genuíno ACDelco 94535679
Plugue multiuso genuíno ACDelco 94535679

R$ 9.05

eBay Braçadeira de mangueira Saab genuína para 2006 Saab 9-5 92151162-AF
Braçadeira de mangueira Saab genuína para 2006 Saab 9-5 92151162-AF

R$ 9.16

eBay PARAFUSO VAUXHALL - GENUÍNO NOVO - 11093893
PARAFUSO VAUXHALL - GENUÍNO NOVO - 11093893

R$ 9.58

eBay Parafuso multiuso genuíno ACDelco 11095512
Parafuso multiuso genuíno ACDelco 11095512

R$ 10.39

Tem uma sugestão?

Clique e envie sua ideia

Termos de Uso e Aviso Legal

Este site é totalmente independente e não possui qualquer vínculo, associação ou patrocínio da Chevrolet, da General Motors ou de suas subsidiárias, marcas ou representantes. Todas as menções a nomes, marcas e códigos de peças são exclusivamente informativas.

As informações disponibilizadas têm caráter meramente informativo e podem conter erros, omissões ou imprecisões. Não garantimos a exatidão, completude ou atualidade dos dados.

Este site não vende peças nem realiza intermediação comercial. Os links e redirecionamentos exibidos servem apenas para consulta de preços em sites de terceiros (marketplaces, lojas ou fornecedores independentes).

Qualquer compra realizada a partir desses links é de inteira responsabilidade do usuário e do vendedor/fornecedor escolhido. Não nos responsabilizamos por negociações, pagamentos, prazos de entrega, qualidade, garantias, trocas, devoluções, reembolsos, divergências ou quaisquer prejuízos decorrentes de transações com terceiros.

O uso deste site é de responsabilidade exclusiva do usuário. Em nenhuma hipótese seremos responsáveis por danos diretos, indiretos, incidentais, consequenciais ou punitivos decorrentes do uso das informações aqui apresentadas ou de transações realizadas em sites externos.

Estamos Ouvindo Você!
Envie suas Sugestões, Reclamações ou Dúvidas