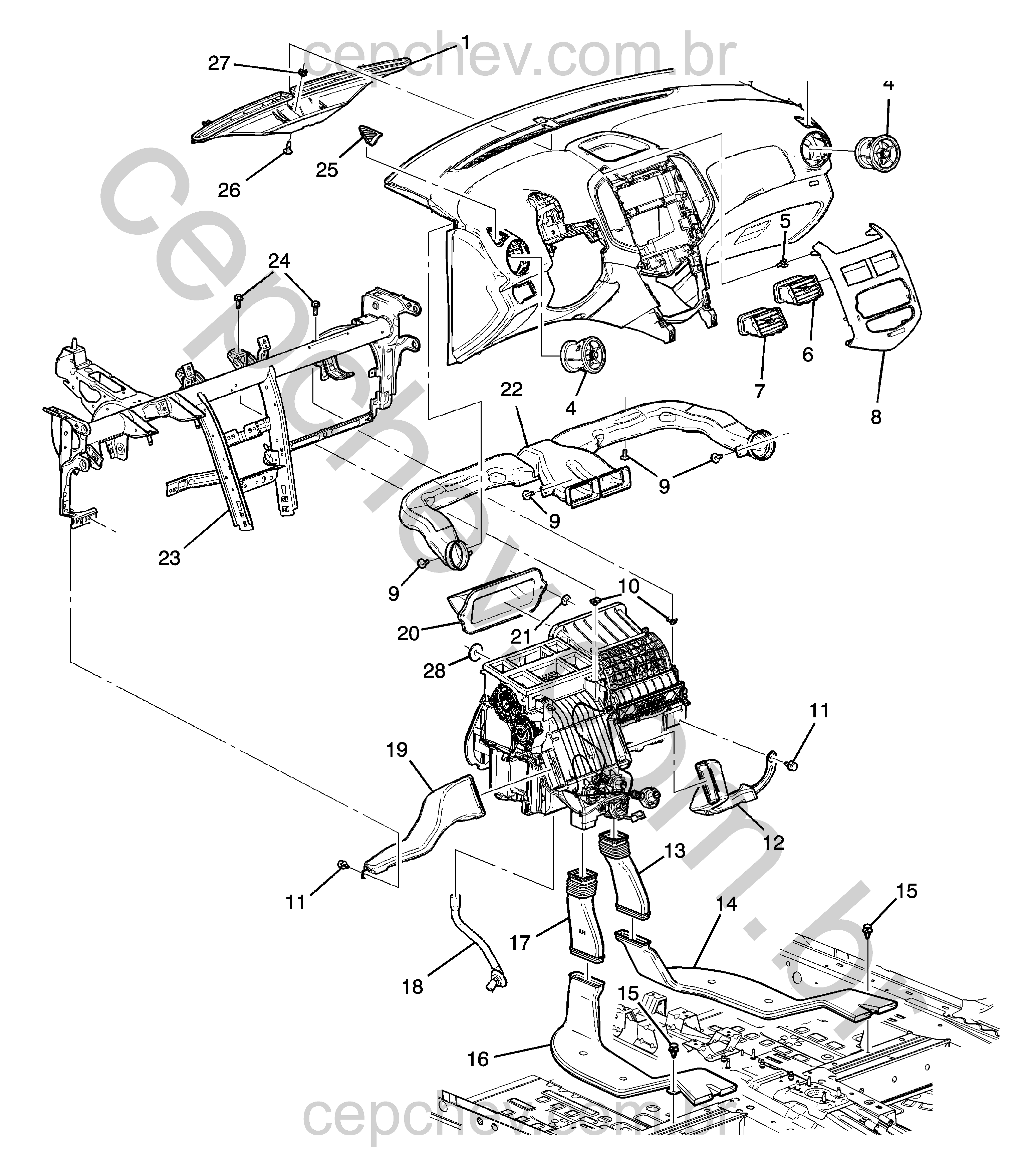
Explore o catálogo detalhado de peças para Sonic 2012/2014 - Painel, climatização e áudio - Sistema de distribuição de ar do ar-condicionado e aquecedor (LS 1). Selecione um item abaixo para visualizar códigos de referência e especificações completas.

Nº | Ano | Descrição | Nº da Peça | Detalhes |
---|---|---|---|---|
1 | 2012/2014 | DUTO de saída de degelo para-brisa | ||
2 | 2012/2014 | PAINEL de instrumento | ||
3 | 2012/2014 | GRADE de saída do desembaçador da janela lateral preto ... | ||
3 | 2012/2014 | GRADE de saída do desembaçador da janela lateral preto ... | ||
4 | 2012/2013 | SAÍDA de ar externa do painel de instrumentos |
+3 números
|
|
4 | 2012/2014 | SAÍDA de ar externa do painel de instrumentos | ||
4 | 2014/2014 | SAÍDA de ar externa do painel de instrumentos |
+3 números
|
|
4 | 2014/2014 | SAÍDA de ar externa do painel de instrumentos |
+3 números
|
|
5 | 2012/2013 | GRAMPO da moldura do painel de instrumentos |
+2 números
|
|
5 | 2014/2014 | GRAMPO da moldura do painel de instrumentos |
+2 números
|
|
5 | 2014/2014 | GRAMPO da moldura do painel de instrumentos |
+2 números
|
|
6 | 2012/2013 | SAÍDA de ar central do painel de instrumentos LD |
+2 números
|
|
6 | 2014/2014 | SAÍDA de ar central do painel de instrumentos LD |
+2 números
|
|
6 | 2014/2014 | SAÍDA de ar central do painel de instrumentos LD |
+2 números
|
|
7 | 2012/2013 | SAÍDA de ar central do painel de instrumentos LE |
+2 números
|
|
7 | 2014/2014 | SAÍDA de ar central do painel de instrumentos LE |
+2 números
|
|
7 | 2014/2014 | SAÍDA de ar central do painel de instrumentos LE |
+2 números
|
|
8 | 2012/2012 | MOLDURA da placa de acabamento interno do centro do pai... |
+1 número
|
|
8 | 2012/2014 | MOLDURA da placa de acabamento interno do centro do pai... |
+1 número
|
|
8 | 2012/2014 | MOLDURA da placa de acabamento interno do centro do pai... |
+2 números
|
|
8 | 2014/2014 | MOLDURA da placa de acabamento interno do centro do pai... | ||
8 | 2014/2014 | MOLDURA da placa de acabamento interno do centro do pai... | ||
8 | 2014/2014 | MOLDURA da placa de acabamento interno do centro do pai... | ||
9 | 2012/2013 | PARAFUSO do duto de saída de ar externo do painel de in... | ||
9 | 2014/2014 | PARAFUSO do duto de saída de ar externo do painel de in... | ||
9 | 2014/2014 | PARAFUSO do duto de saída de ar externo do painel de in... | ||
10 | 2012/2012 | PORCA do módulo do evaporador do ar condicionado e vent... | ||
11 | 2012/2014 | RETENTOR do duto de saída dianteira de ar do piso preto |
+7 números
|
|
12 | 2012/2013 | DUTO de saída de ar do assoalho dianteiro LD |
+1 número
|
|
12 | 2014/2014 | DUTO de saída de ar do assoalho dianteiro LD |
+1 número
|
|
12 | 2014/2014 | DUTO de saída de ar do assoalho dianteiro LD |
+1 número
|
|
13 | 2012/2013 | ADAPTADOR do duto de saída de ar traseiro do assoalho L... | ||
13 | 2014/2014 | ADAPTADOR do duto de saída de ar traseiro do assoalho L... | ||
13 | 2014/2014 | ADAPTADOR do duto de saída de ar traseiro do assoalho L... | ||
14 | 2012/2013 | DUTO de saída de ar do assoalho traseiro LD | ||
14 | 2014/2014 | DUTO de saída de ar do assoalho traseiro LD | ||
14 | 2014/2014 | DUTO de saída de ar do assoalho traseiro LD | ||
15 | 2012/2013 | RETENTOR do duto de saída de ar traseiro do assoalho LD |
+5 números
|
R$ 20 11 ofertas* |
15 | 2014/2014 | RETENTOR do duto de saída de ar traseiro do assoalho LD |
+5 números
|
R$ 20 11 ofertas* |
15 | 2014/2014 | RETENTOR do duto de saída de ar traseiro do assoalho LD |
+5 números
|
R$ 20 11 ofertas* |
16 | 2012/2013 | DUTO de saída de ar do assoalho traseiro LE | ||
16 | 2014/2014 | DUTO de saída de ar do assoalho traseiro LE | ||
16 | 2014/2014 | DUTO de saída de ar do assoalho traseiro LE | ||
17 | 2012/2013 | ADAPTADOR do duto de saída de ar traseiro do assoalho L... | ||
17 | 2014/2014 | ADAPTADOR do duto de saída de ar traseiro do assoalho L... | ||
17 | 2014/2014 | ADAPTADOR do duto de saída de ar traseiro do assoalho L... | ||
18 | 2012/2013 | MANGUEIRA de dreno do evaporador do ar condicionado |
+2 números
|
|
18 | 2014/2014 | MANGUEIRA de dreno do evaporador do ar condicionado |
+2 números
|
|
18 | 2014/2014 | MANGUEIRA de dreno do evaporador do ar condicionado |
+2 números
|
|
19 | 2012/2013 | DUTO de saída de ar do assoalho dianteiro LE |
+1 número
|
|
19 | 2012/2013 | DUTO de saída de ar do assoalho dianteiro LD |
+1 número
|
|
19 | 2014/2014 | DUTO de saída de ar do assoalho dianteiro LE |
+1 número
|
|
19 | 2014/2014 | DUTO de saída de ar do assoalho dianteiro LD |
+1 número
|
|
19 | 2014/2014 | DUTO de saída de ar do assoalho dianteiro LE |
+1 número
|
|
19 | 2014/2014 | DUTO de saída de ar do assoalho dianteiro LD |
+1 número
|
|
20 | 2012/2013 | DUTO de admissão de ar do LE |
+1 número
|
|
20 | 2014/2014 | DUTO de admissão de ar do LE |
+1 número
|
|
20 | 2014/2014 | DUTO de admissão de ar do LE |
+1 número
|
|
21 | 2012/2013 | PORCA da entrada de ar M6 x 1mm |
+40 números
|
R$ 5 10 ofertas* |
21 | 2014/2014 | PORCA da entrada de ar M6 x 1mm |
+40 números
|
R$ 5 10 ofertas* |
21 | 2014/2014 | PORCA da entrada de ar M6 x 1mm |
+40 números
|
R$ 5 10 ofertas* |
22 | 2012/2012 | DUTO de saída de ar externo do painel de instrumentos | ||
22 | 2013/2014 | DUTO de saída de ar externo do painel de instrumentos | ||
22 | 2014/2014 | DUTO de saída de ar externo do painel de instrumentos | ||
23 | 2012/2014 | BARRA de fixação do painel de instrumentos | ||
24 | 2012/2013 | PARAFUSO do motor do ventilador |
+3 números
|
|
24 | 2014/2014 | PARAFUSO do motor do ventilador |
+3 números
|
|
24 | 2014/2014 | PARAFUSO do motor do ventilador |
+3 números
|
|
25 | 2012/2014 | GRADE de saída do desembaçador da janela lateral preto ... | ||
26 | 2012/2012 | PARAFUSO do duto de distribuição de ar |
+36 números
|
R$ 7 10 ofertas* |
26 | 2013/2014 | PARAFUSO do suporte do compartimento do painel de instr... |
+36 números
|
R$ 7 10 ofertas* |
27 | 2012/2012 | PORCA do duto do distribuidor de ar | ||
27 | 2013/2014 | PORCA almoçada do painel interno cobre |
+6 números
|
R$ 1 9 ofertas* |
28 | 2012/2014 | PORCA do módulo do evaporador do ar condicionado e vent... |
Códigos:
96886042 96886075 95280206 95194966 95463834 96886313 94530633 94530663 09409-10306 95463837 95194964 96886267 95463836 95194959 96886265 95460913 95157878 95157880 95460915 95157882 95460917 95380880 95380882 95380878 11611180 95018063 11589289 15261562 25895794 21077123 25642453 25953376 25882904 YQ00159480 95460105 95027488 96876373 96861445 11589292 92138253 11612035 11571109 SP3960 YR00126180 96861444 96941837 95909220 95459558 42430653 95941538 95460106 95351258 96861440 11516836 93251940 11505005 11588440 11516793 11517009 11508275 11609411 11519752 11517293 02066001 20737374 25533442 11503754 94124172 97063399 93251956 11514275 11517226 10060526 11509227 11515889 11508277 94024622 15614770 93218383 11561316 93251935 11557293 11509220 20272700 14086930 11508276 94423325 94170192 94159247 97022131 94433403 94358569 5094400040 97184896 95180875 11519383 21999767 11570136 11610124 11609458 11516629 11508765 25730915 11609508 11609539 22582909 11515635 30007065 96051123 96051121 11509092 10137767 90185409 10148591 11516644 11515890 11513689 11515898 11515498 22588285 11514453 22569189 22596753 22596751 22596752 11508231 11509432 11503477 20356713 11609568 11609512 11609451 96057535 93252058 93396930 90275862 11561629 11569960 17997722 11517228 11561985 15235111 11610157