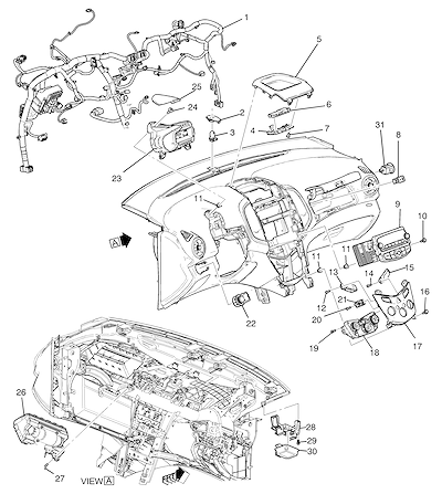
Selecione uma seção do grupo 'Portas, painel e parabrisa' e encontre rapidamente códigos, descrições e referências para manutenção ou restauração para Sonic 2012/2014.